Amdassador 9820
Ambassador (Allied Stores Purchasing/Metasco); New York, NY
- Pays
- Etats-Unis
- Fabricant / Marque
- Ambassador (Allied Stores Purchasing/Metasco); New York, NY
- Année
- 1953 ?
- Catégorie
- Récepteur de télévision ou moniteur
- Radiomuseum.org ID
- 360710
Cliquez sur la vignette du schéma pour le demander en tant que document gratuit.
- No. de tubes
- 19
- Lampes / Tubes
- 6CB6 or 6AQ5 or 6BC5 6J6 6CB6 6CB6 6CB6 6AC7 6AU6 6T8 6AQ5 12AU7 6SN7GT 6S4 6AL5 6SN7GT 6BQ6GT 6AX4GT 1B3GT 5U4G 20DP4A
- Principe général
- Super hétérodyne avec étage HF
- Gammes d'ondes
- Bandes en notes
- Tension / type courant
- Alimentation Courant Alternatif (CA) / 60Hz, 117V=110-120 Volt
- Haut-parleur
- HP dynamique à aimant permanent + bobine mobile
- Matière
- Boitier en bois
- De Radiomuseum.org
- Modèle: Amdassador 9820 - Ambassador Allied Stores
- Forme
- Console de forme générique
- Remarques
-
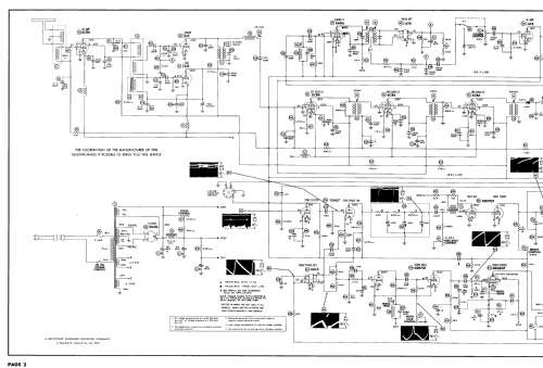
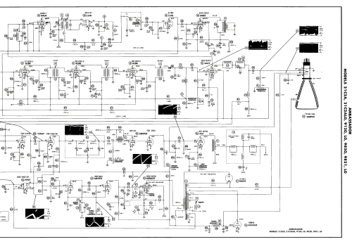
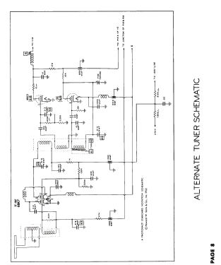
Ambassador model 9820 is a 21” b/w TV with US standard VHF tuner channels 2 thru 13. Equipped with a VHF tuner and picture tube 20DP4A.
- Schémathèque (1)
- Photofact Folder, Howard W. SAMS (Set 191, folder 4, dated 1-53)
- Auteur
- Modèle crée par Dirk Taekels. Voir les propositions de modification pour les contributeurs supplémentaires.
- D'autres Modèles
-
Vous pourrez trouver sous ce lien 89 modèles d'appareils, 27 avec des images et 74 avec des schémas.
Tous les appareils de Ambassador (Allied Stores Purchasing/Metasco); New York, NY