AWA 12.5 Watt Amplifier PA PA1005
Amalgamated Wireless (Australasia) Ltd. (AWA); Sydney
- Paese
- Australia
- Produttore / Marca
- Amalgamated Wireless (Australasia) Ltd. (AWA); Sydney
- Anno
- 1968 ??
- Categoria
- Amplificatore audio o mixer audio
- Radiomuseum.org ID
- 310696
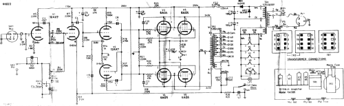
Clicca sulla miniatura dello schema per richiederlo come documento gratuito.
- Numero di tubi
- 6
- Principio generale
- Amplificatore audio
- Tensioni di funzionamento
- Alimentazione a corrente alternata (CA) / 240 Volt
- Altoparlante
- - Questo apparecchio richiede altoparlante/i esterno/i.
- Potenza d'uscita
- 12.5 W (max.)
- Materiali
- Mobile di metallo
- Radiomuseum.org
- Modello: AWA 12.5 Watt Amplifier PA PA1005 - Amalgamated Wireless
- Forma
- Soprammobile con qualsiasi forma (non saputo).
- Dimensioni (LxAxP)
- 340 x 190 x 140 mm / 13.4 x 7.5 x 5.5 inch
- Peso netto
- 7 kg / 15 lb 6.7 oz (15.419 lb)
- Autore
- Modello inviato da Joshua Boxer. Utilizzare "Proponi modifica" per inviare ulteriori dati.
- Altri modelli
-
In questo link sono elencati 1438 modelli, di cui 884 con immagini e 466 con schemi.
Elenco delle radio e altri apparecchi della Amalgamated Wireless (Australasia) Ltd. (AWA); Sydney
Collezioni
Il modello AWA 12.5 Watt Amplifier PA fa parte delle collezioni dei seguenti membri.