AWA (Export) 1548MA
Amalgamated Wireless (Australasia) Ltd. (AWA); Sydney
- Country
- Australia
- Manufacturer / Brand
- Amalgamated Wireless (Australasia) Ltd. (AWA); Sydney
- Year
- 1953/1954
- Category
- Broadcast Receiver - or past WW2 Tuner
- Radiomuseum.org ID
- 193145
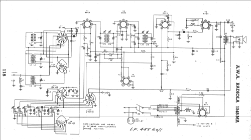
Click on the schematic thumbnail to request the schematic as a free document.
- Number of Tubes
- 6
- Main principle
- Superheterodyne (common); ZF/IF 455 kHz; 2 AF stage(s); Export model
- Tuned circuits
- 6 AM circuit(s)
- Wave bands
- Broadcast plus more than 2 Short Wave bands.
- Power type and voltage
- Alternating Current supply (AC) / 100-130; 190-250 Volt
- Loudspeaker
- Permanent Magnet Dynamic (PDyn) Loudspeaker (moving coil) - elliptical
- Power out
- 3 W (unknown quality)
- Material
- Bakelite or Plastics (type unknown)
- from Radiomuseum.org
- Model: AWA 1548MA - Amalgamated Wireless
- Shape
- Tablemodel, with any shape - general.
- Notes
-
AWA Special export model.
Exported to Columbo Plan countries in SE Asia.
Radio dial was marked with frequency only and no Australian Stations.FREQUENCY BANDS;
(I) 1600-540 kHz ....................................... (187.5-555 M)
(2) 4.0-1.5 MHz ……………………………. (75-200 M)
(3) 3.7-10 MHz…………….……………….. (30-81M)
(4) 15.0-9.5 MHz…………………………… (31.5-20M)
(5) 14.8-23MHz………….....……….……… (13-20.3M)9" x 6" Elliptical speaker.
The circuit is similar to the Radiola 518M.
The cabinet is available in Walnut, Burgundy & Ivory.
Information from J McIlwaine.
- Price in first year of sale
- 48.00 AUS £
- Circuit diagram reference
- Australian Official Radio Service Manual Vol. XII
- Mentioned in
- HRSA Radiowaves #147, Jan 2019, page 12.
- Literature/Schematics (1)
- - - Manufacturers Literature (AWA Technical Information & Service Data.)
- Literature/Schematics (2)
- Australian Official Radio Service Manual AORSM (Volume 12, 1954, Page 118.)
- Author
- Model page created by Stuart Irwin. See "Data change" for further contributors.
- Other Models
-
Here you find 1438 models, 884 with images and 466 with schematics for wireless sets etc. In French: TSF for Télégraphie sans fil.
All listed radios etc. from Amalgamated Wireless (Australasia) Ltd. (AWA); Sydney
Literature
The model AWA (Export) is documented in the following literature.