- Land
- Neuseeland-Aotearoa
- Hersteller / Marke
- Amalgamated Wireless Australasia (NZ) Ltd. (AWA); Wellington
- Jahr
- 1955 ?
- Kategorie
- Rundfunkempfänger (Radio - oder Tuner nach WW2)
- Radiomuseum.org ID
- 362878
Klicken Sie auf den Schaltplanausschnitt, um diesen kostenlos als Dokument anzufordern.
- Anzahl Röhren
- 5
- Hauptprinzip
- Superhet allgemein; ZF/IF 455 kHz; 2 NF-Stufe(n)
- Anzahl Kreise
- 6 Kreis(e) AM
- Wellenbereiche
- Mittelwelle, keine anderen.
- Betriebsart / Volt
- Wechselstromspeisung / 50Hz, 230 Volt
- Lautsprecher
- Dynamischer LS, keine Erregerspule (permanentdynamisch) / Ø 5 inch = 12.7 cm
- Material
- Plastikgehäuse (nicht Bakelit), Thermoplast
- von Radiomuseum.org
- Modell: Radiola 565B - Amalgamated Wireless
- Form
- Tischgerät ohne Drucktasten, bis 35 cm Breite (Kleingerät, meist dekorativ. Nur für Netzbetrieb, doch Transportgriff möglich).
- Abmessungen (BHT)
- 345 x 190 x 170 mm / 13.6 x 7.5 x 6.7 inch
- Bemerkung
-
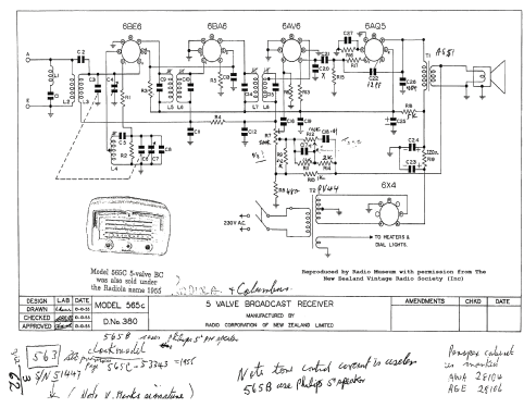
AWA Radiola 565B
5-Valve superhet broadcast (MW) receiver.
See also AWA Model 565MA, and Malvern 565A.
Manufactured by Radio Corporation Of New Zealand Ltd.
- Literaturnachweis
- The Golden Age of Radio in the Home 1986 (Page 152)
- Autor
- Modellseite von Brian Stevens angelegt. Siehe bei "Änderungsvorschlag" für weitere Mitarbeit.
- Weitere Modelle
-
Hier finden Sie 54 Modelle, davon 54 mit Bildern und 29 mit Schaltbildern.
Alle gelisteten Radios usw. von Amalgamated Wireless Australasia (NZ) Ltd. (AWA); Wellington