Mengversterker, Mixer UN-43
Amroh NV (Radio Bulletin monthly), Muiden
- Paese
- Olanda
- Produttore / Marca
- Amroh NV (Radio Bulletin monthly), Muiden
- Anno
- 1956
- Categoria
- Amplificatore audio o mixer audio
- Radiomuseum.org ID
- 227195
Clicca sulla miniatura dello schema per richiederlo come documento gratuito.
- Numero di tubi
- 3
- Principio generale
- Amplificatore audio; 4 Stadi BF
- Gamme d'onda
- - senza
- Tensioni di funzionamento
- Alimentazione a corrente alternata (CA) / 220 Volt
- Altoparlante
- - Per cuffie o amplificatori esterni
- Radiomuseum.org
- Modello: Mengversterker, Mixer UN-43 - Amroh NV Radio Bulletin
- Forma
- Chassis o in scatola da montaggio
- Annotazioni
-
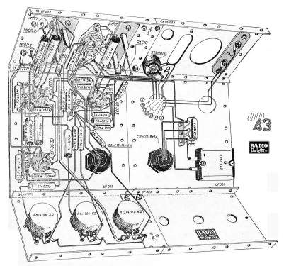
UN-43 is an audio mixer with inputs for 2 microphones, radio and pick-up. The mixer is designed to connect to the UN-2 main amp, which makes it possible to use its power unit. In case another amp is used, the diagram of the power unit for the UN-43 is added.
- Bibliografia
- Radio Bulletin (februari 1956)
- Autore
- Modello inviato da Rob Majoor. Utilizzare "Proponi modifica" per inviare ulteriori dati.
- Altri modelli
-
In questo link sono elencati 240 modelli, di cui 208 con immagini e 231 con schemi.
Elenco delle radio e altri apparecchi della Amroh NV (Radio Bulletin monthly), Muiden