4-D-5 ch= D5-S
Andrea Radio Corp.; Long Island (NY)
- País
- Estados Unidos
- Fabricante / Marca
- Andrea Radio Corp.; Long Island (NY)
- Año
- 1937
- Categoría
- Radio - o Sintonizador pasado WW2
- Radiomuseum.org ID
- 121665
-
- Brand: Deresnadyne
Haga clic en la miniatura esquemática para solicitarlo como documento gratuito.
- Numero de valvulas
- 5
- Principio principal
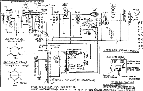
- Superheterodino en general; ZF/IF 470 kHz; 2 Etapas de AF
- Número de circuitos sintonía
- 6 Circuíto(s) AM
- Gama de ondas
- OM y OC
- Tensión de funcionamiento
- Red: Corriente alterna (CA, Inglés = AC) / 115 Volt
- Altavoz
- Altavoz electrodinámico (bobina de campo)
- de Radiomuseum.org
- Modelo: 4-D-5 ch= D5-S - Andrea Radio Corp.; Long
- Forma
- Sobremesa de cualquier forma, detalles no conocidos.
- Referencia esquema
- Rider's Perpetual, Volume 9 = 1938 and before
- Autor
- Modelo creado por Götz Linss † 27.06.21. Ver en "Modificar Ficha" los participantes posteriores.
- Otros modelos
-
Donde encontrará 229 modelos, 70 con imágenes y 210 con esquemas.
Ir al listado general de Andrea Radio Corp.; Long Island (NY)