- Pays
- Etats-Unis
- Fabricant / Marque
- Ansley, Arthur, Mfg. Co; Doylestown (PA)
- Année
- 1951 ?
- Catégorie
- Enrégistreur et/ou reproducteur son/video
- Radiomuseum.org ID
- 347762
Cliquez sur la vignette du schéma pour le demander en tant que document gratuit.
- No. de tubes
- 3
- Principe général
- Amplification audio
- Gammes d'ondes
- - sans
- Particularités
- Tourne disque sans changeur
- Tension / type courant
- Alimentation Courant Alternatif (CA) / 60 Hz, 117V = 110 -120 Volt
- Haut-parleur
- HP dynamique à aimant permanent + bobine mobile
- Matière
- Matériaux divers
- De Radiomuseum.org
- Modèle: LP-7 - Ansley, Arthur, Mfg. Co;
- Forme
- Modèle de table générique
- Remarques
-
Arthur Ansley model LP-7 is an AC operated phono player with 3 tube amplifier.
- Schémathèque (1)
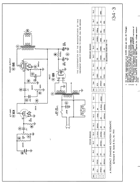
- Photofact Folder, Howard W. SAMS (Set 134, folder 3 dated 5-51)
- Auteur
- Modèle crée par Dirk Taekels. Voir les propositions de modification pour les contributeurs supplémentaires.
- D'autres Modèles
-
Vous pourrez trouver sous ce lien 11 modèles d'appareils, 11 avec des images et 11 avec des schémas.
Tous les appareils de Ansley, Arthur, Mfg. Co; Doylestown (PA)