- Land
- USA
- Hersteller / Marke
- Apex Electric, Pool; Chicago; US Radio & Television Corp.; Marion; (US Radio&Refrigeration)
- Jahr
- 1929
- Kategorie
- Rundfunkempfänger (Radio - oder Tuner nach WW2)
- Radiomuseum.org ID
- 32821
-
- anderer Name: Apex Electric Mfg. || Case Electric || Melrose || United States Radio & T
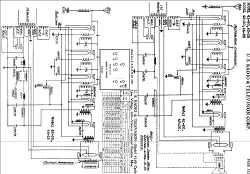
Klicken Sie auf den Schaltplanausschnitt, um diesen kostenlos als Dokument anzufordern.
- Anzahl Röhren
- 7
- Hauptprinzip
- Geradeaus ohne Rückkopplung; Neutrodyne
- Betriebsart / Volt
- Wechselstromspeisung
- Material
- Gerät mit Holzgehäuse
- von Radiomuseum.org
- Modell: Apex 60 - Apex Electric, Pool; Chicago;
- Form
- Standgerät: allgemein.
- Bemerkung
- One dial (primary tuning control knob) ; Similarity with US Radio model "60", but not verified. The tube UX245, later named 245 and 45 was introduced in March 1929. Therefore this model can not be earlier.
- Originalpreis
- 89.00 $
- Datenherkunft extern
- Ernst Erb
- Datenherkunft
- Radio Collector`s Guide 1921-1932
- Schaltungsnachweis
- Rider's Perpetual, Volume 1 = 1931/1934 (for 1919-1931)
- Literaturnachweis
- Collector's Guide to Antique Radios 4. Edition
- Weitere Modelle
-
Hier finden Sie 227 Modelle, davon 90 mit Bildern und 131 mit Schaltbildern.
Alle gelisteten Radios usw. von Apex Electric, Pool; Chicago; US Radio & Television Corp.; Marion; (US Radio&Refrigeration)