- Pays
- Etats-Unis
- Fabricant / Marque
- Apex Radio & Television (post WW 2), N.Y.
- Année
- 1947
- Catégorie
- Radio - ou tuner d'après la guerre 1939-45
- Radiomuseum.org ID
- 32823
Cliquez sur la vignette du schéma pour le demander en tant que document gratuit.
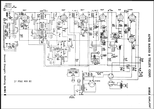
- No. de tubes
- 8
- Principe général
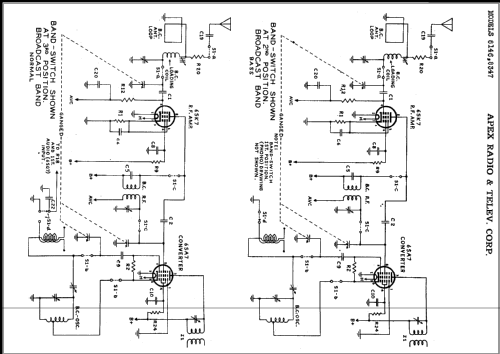
- Super hétérodyne avec étage HF; FI/IF 455 kHz
- Gammes d'ondes
- PO et 2 x OC
- Particularités
- Tourne disque avec changeur
- Tension / type courant
- Alimentation Courant Alternatif (CA) / 117 Volt
- Haut-parleur
- HP dynamique à aimant permanent + bobine mobile
- Matière
- Boitier en bois
- De Radiomuseum.org
- Modèle: 8146-AC - Apex Radio & Television post
- Forme
- Console de forme générique
- Remarques
- Tunes 535 to 1680 kc; shortwave includes 2.2 to 7.2 mc and 6.9 to 23.5 mc.
- Source extérieure
- Ernst Erb
- Source du schéma
- Rider's Perpetual, Volume 17 = 1948 and before
- Littérature
- Radio Retailing (Radio & Television R.) (February 1947 page 53.)
- D'autres Modèles
-
Vous pourrez trouver sous ce lien 5 modèles d'appareils, 4 avec des images et 3 avec des schémas.
Tous les appareils de Apex Radio & Television (post WW 2), N.Y.