- Country
- France
- Manufacturer / Brand
- Arco Jicky, Le Matériel Radioélectrique, CFR (C.F.R., Compagnie Française de Radio); Paris
- Year
- 1954
- Category
- Broadcast Receiver - or past WW2 Tuner
- Radiomuseum.org ID
- 68710
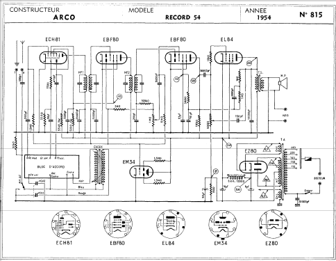
Click on the schematic thumbnail to request the schematic as a free document.
- Number of Tubes
- 6
- Main principle
- Superheterodyne (common); ZF/IF 480 kHz
- Wave bands
- Broadcast, Long Wave and 2 x Short Wave.
- Power type and voltage
- Alternating Current supply (AC) / 110; 130; 145; 220; 240 Volt
- Loudspeaker
- Electro Magnetic Dynamic LS (moving-coil with field excitation coil)
- from Radiomuseum.org
- Model: Record 54 - Arco Jicky, Le Matériel
- External source of data
- Serge Laffont/Martin Renoth
- Other Models
-
Here you find 108 models, 86 with images and 25 with schematics for wireless sets etc. In French: TSF for Télégraphie sans fil.
All listed radios etc. from Arco Jicky, Le Matériel Radioélectrique, CFR (C.F.R., Compagnie Française de Radio); Paris