Arena Stereo FF-T 1900 H/2
Arena, Hede Nielsens Fabriker; Horsens
- Paese
- Danimarca
- Produttore / Marca
- Arena, Hede Nielsens Fabriker; Horsens
- Anno
- 1966 ?
- Categoria
- Radio (o sintonizzatore del dopoguerra WW2)
- Radiomuseum.org ID
- 331605
-
- alternative name: Hede Nielsen's Fabrikker A/S
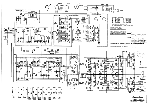
Clicca sulla miniatura dello schema per richiederlo come documento gratuito.
- Numero di transistor
- 20
- Principio generale
- Supereterodina (in generale)
- Gamme d'onda
- Onde medie (OM), onde lunghe, 2 onde corte e FM.
- Tensioni di funzionamento
- Alimentazione a corrente alternata (CA) / 110; 220 Volt
- Altoparlante
- - Questo apparecchio richiede altoparlante/i esterno/i.
- Materiali
- Mobile in legno
- Radiomuseum.org
- Modello: Arena Stereo FF-T 1900 H/2 - Arena, Hede Nielsens Fabriker;
- Forma
- Soprammobile con pulsantiera/tastiera.
- Annotazioni
-
Wave bands:
LW = 139 - 325 kHz
MW = 515 -1700 kHz
SW1 = 1.5 - 4.5 MHz (Marine band)
SW2 = 5.9 - 7.5 MHz
FM = 87 - 104 MHzSemiconductors listed once per type.
- Bibliografia
- -- Schematic
- Altri modelli
-
In questo link sono elencati 37 modelli, di cui 32 con immagini e 18 con schemi.
Elenco delle radio e altri apparecchi della Arena, Hede Nielsens Fabriker; Horsens