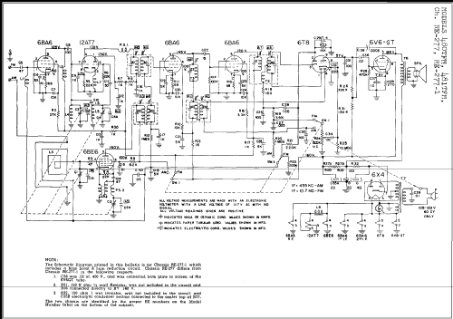
481TFM Ch= RE-277-1
Arvin, brand of Noblitt-Sparks Industries
- Country
- United States of America (USA)
- Manufacturer / Brand
- Arvin, brand of Noblitt-Sparks Industries
- Year
- 1950
- Category
- Broadcast Receiver - or past WW2 Tuner
- Radiomuseum.org ID
- 33017
Click on the schematic thumbnail to request the schematic as a free document.
- Number of Tubes
- 8
- Main principle
- Superhet with RF-stage; ZF/IF 455/10700 kHz; 2 AF stage(s)
- Tuned circuits
- 7 AM circuit(s) 10 FM circuit(s)
- Wave bands
- Broadcast (BC) and FM or UHF.
- Power type and voltage
- Alternating Current supply (AC) / 105-120 Volt
- Loudspeaker
- Permanent Magnet Dynamic (PDyn) Loudspeaker (moving coil) / Ø 5 inch = 12.7 cm
- Power out
- 0.8 W (unknown quality)
- Material
- Plastics (no bakelite or catalin)
- from Radiomuseum.org
- Model: 481TFM Ch= RE-277-1 - Arvin, brand of Noblitt-Sparks
- Shape
- Tablemodel, with any shape - general.
- Dimensions (WHD)
- 13.9 x 6.6 x 7.6 inch / 353 x 168 x 193 mm
- Notes
- Color=Mahogany.
- External source of data
- Ernst Erb
- Source of data
- The Radio Collector's Directory and Price Guide 1921 - 1965
- Circuit diagram reference
- Rider's Perpetual, Volume 21, Copyright 1950
- Literature/Schematics (1)
- Beitman Radio Diagrams, Vol. 11, 1951
- Other Models
-
Here you find 723 models, 494 with images and 594 with schematics for wireless sets etc. In French: TSF for Télégraphie sans fil.
All listed radios etc. from Arvin, brand of Noblitt-Sparks Industries