5212 Ch= TE315
Arvin, brand of Noblitt-Sparks Industries
- Pays
- Etats-Unis
- Fabricant / Marque
- Arvin, brand of Noblitt-Sparks Industries
- Année
- 1951 ?
- Catégorie
- Récepteur de télévision ou moniteur
- Radiomuseum.org ID
- 351158
Cliquez sur la vignette du schéma pour le demander en tant que document gratuit.
- No. de tubes
- 26
- Lampes / Tubes
- 6AK5 6J6 6CB6 6CB6 6CB6 6BA6 6AL5 6AC7 6AU6 6AV6 6AU6 6AU6 6AU6 6AL5 6AV6 6Y6G 12AU7 6SN7GT 6S4 6AL5 6SN7GT 6CD6G 6W4GT 1B3GT 5U4G 21AP4
- Principe général
- Super hétérodyne avec étage HF
- Gammes d'ondes
- Bandes en notes
- Tension / type courant
- Alimentation Courant Alternatif (CA) / 60 Hz, 117V = 110 -120 Volt
- Haut-parleur
- HP dynamique à électro-aimant (électrodynamique)
- Matière
- Boitier en bois
- De Radiomuseum.org
- Modèle: 5212 Ch= TE315 - Arvin, brand of Noblitt-Sparks
- Forme
- Console avec pieds bas < 50% de la hauteur
- Remarques
-
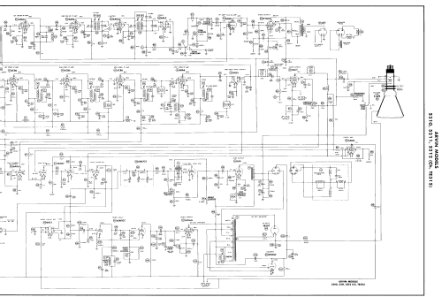
Arvin model 5212 is a 21” b/w TV with US standard VHF tuner channels 2 thru 13.
Equipped with chassis TE315, VHF tuner AE24737-2 and picture tube 21AP4.
- Schémathèque (1)
- Photofact Folder, Howard W. SAMS (Set 151, folder 5, dated 11-51)
- Schémathèque (2)
- Photofact Folder, Howard W. SAMS (Set 166, folder 2, dated 5-52)
- Schémathèque (3)
- Photofact Folder, Howard W. SAMS (Set 184, folder 1, dated 11-52)
- Auteur
- Modèle crée par Dirk Taekels. Voir les propositions de modification pour les contributeurs supplémentaires.
- D'autres Modèles
-
Vous pourrez trouver sous ce lien 723 modèles d'appareils, 494 avec des images et 590 avec des schémas.
Tous les appareils de Arvin, brand of Noblitt-Sparks Industries