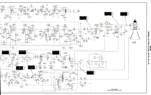
6215CB Ch= TE-319, -1, -2
Arvin, brand of Noblitt-Sparks Industries
- Country
- United States of America (USA)
- Manufacturer / Brand
- Arvin, brand of Noblitt-Sparks Industries
- Year
- 1953 ?
- Category
- Television Receiver (TV) or Monitor
- Radiomuseum.org ID
- 362696
Click on the schematic thumbnail to request the schematic as a free document.
- Number of Tubes
- 22
- Valves / Tubes
- 6BZ7 or 6BQ7 6J6 6CB6 6CB6 6CB6 6BA6 12AU7 6AC7 6AU6 6AL5 6AV6 6V6GT 12AU7 6SN7GT 6S4 6AL5 6SN7GT 6BQ6GT 6W4GT 1B3GT 5U4G 21MP4
- Main principle
- Superhet with RF-stage
- Wave bands
- Wave Bands given in the notes.
- Power type and voltage
- Alternating Current supply (AC) / 60 Hz, 117V = 110 -120 Volt
- Loudspeaker
- Permanent Magnet Dynamic (PDyn) Loudspeaker (moving coil) / Ø 6 inch = 15.2 cm
- Material
- Wooden case
- from Radiomuseum.org
- Model: 6215CB Ch= TE-319, -1, -2 - Arvin, brand of Noblitt-Sparks
- Shape
- Console with any shape - in general
- Notes
- 
        Arvin model 6215CB is a 21” b/w TV with US standard VHF tuner channels 2 thru 13. Equipped with chassis TE-319, -1, -2, VHF tuner E25702-1 and picture tube 21MP4. 
- Literature/Schematics (1)
- Photofact Folder, Howard W. SAMS (Set 195, Folder 4, dated 2-53)
- Literature/Schematics (2)
- Photofact Folder, Howard W. SAMS (set 204, folder 1, dated 5-53)
- Author
- Model page created by Dirk Taekels. See "Data change" for further contributors.
- Other Models
- 
        Here you find 723 models, 494 with images and 594 with schematics for wireless sets etc. In French: TSF for Télégraphie sans fil. 
 All listed radios etc. from Arvin, brand of Noblitt-Sparks Industries
 
                
                
                
                
                
                
                
                
                
                
                
                
                
                
                
                
                
               