Capital ND-309
Associated Importers, San Francisco (CA)
- Land
- USA
- Hersteller / Marke
- Associated Importers, San Francisco (CA)
- Jahr
- 1962 ?
- Kategorie
- CB-Funk-Gerätschaft
- Radiomuseum.org ID
- 144287
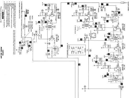
Klicken Sie auf den Schaltplanausschnitt, um diesen kostenlos als Dokument anzufordern.
- Anzahl Transistoren
- 9
- Hauptprinzip
- Superhet allgemein; ZF/IF 455 kHz
- Wellenbereiche
- Kurzwellen (nur KW)
- Betriebsart / Volt
- Akku und/oder Batterie / 9 Volt
- Lautsprecher
- Dynamischer LS, keine Erregerspule (permanentdynamisch) / Ø 2 inch = 5.1 cm
- Material
- Plastikgehäuse (nicht Bakelit), Thermoplast
- von Radiomuseum.org
- Modell: Capital ND-309 - Associated Importers, San
- Form
- Kleines Reisegerät oder «Taschengerät» < 20 cm.
- Bemerkung
- Any one of CB-Channel 1 thru 22
- Literatur/Schema (1)
- Photofact Folder, Howard W. SAMS (CB-Radio-Manual Vol 3 Page 27)
- Autor
- Modellseite von Heribert Jung angelegt. Siehe bei "Änderungsvorschlag" für weitere Mitarbeit.
- Weitere Modelle
-
Hier finden Sie 3 Modelle, davon 3 mit Bildern und 2 mit Schaltbildern.
Alle gelisteten Radios usw. von Associated Importers, San Francisco (CA)