MC/MD Voorversterker P832
Audio Research Center; Rotterdam
- Land
- Niederlande
- Hersteller / Marke
- Audio Research Center; Rotterdam
- Jahr
- 1983
- Kategorie
- Bausatz, Baukasten oder Bauanleitung (Kit)
- Radiomuseum.org ID
- 125755
Klicken Sie auf den Schaltplanausschnitt, um diesen kostenlos als Dokument anzufordern.
- Anzahl Transistoren
- 9
- Halbleiter
- Hauptprinzip
- NF-Verstärkung
- Wellenbereiche
- - ohne
- Betriebsart / Volt
- Wechselstromspeisung / 220 Volt
- Lautsprecher
- - Für Kopfhörer oder NF-Verstärker
- Material
- Diverses Material
- von Radiomuseum.org
- Modell: MC/MD Voorversterker P832 - Audio Research Center;
- Form
- Chassis - Einbaugerät
- Bemerkung
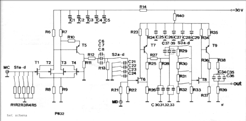
- Vorverstärker für Plattenspieler mit magnetodynamischem oder "moving coil" Element. Pro Kanal 6 JFETs (1 x BF245A und 5 x BF246A) und 3 bipolare Transistoren (BC560A). Ein externes Netzgerät lieferte +30V Gleichspannung.
- Literaturnachweis
- -- Original-techn. papers. (John van der Sluis & Peter van Willenswaard, "Voorversterker voor zelfbouw".)
- Literatur/Schema (1)
- Audio & Techniek, 83/5, pp.31-33, 1983.
- Autor
- Modellseite von Aren van Waarde angelegt. Siehe bei "Änderungsvorschlag" für weitere Mitarbeit.
- Weitere Modelle
-
Hier finden Sie 8 Modelle, davon 3 mit Bildern und 8 mit Schaltbildern.
Alle gelisteten Radios usw. von Audio Research Center; Rotterdam