Gitarrenverstärker De Luxe 100
Austrovox, Wien 7
- Country
- Austria
- Manufacturer / Brand
- Austrovox, Wien 7
- Year
- 1969
- Category
- Audio Amplifier or -mixer
- Radiomuseum.org ID
- 148117
Click on the schematic thumbnail to request the schematic as a free document.
- Number of Tubes
- 5
- Number of Transistors
- 3
- Main principle
- Audio-Amplification
- Wave bands
- - without
- Details
- Guitar Amplifier
- Power type and voltage
- Alternating Current supply (AC) / 110; 130; 220; 240 Volt
- Loudspeaker
- - This model requires external speaker(s).
- Power out
- 55 W (unknown quality)
- Material
- Wooden case
- from Radiomuseum.org
- Model: Gitarrenverstärker De Luxe 100 - Austrovox, Wien 7
- Shape
- Tablemodel, with any shape - general.
- Dimensions (WHD)
- 590 x 180 x 270 mm / 23.2 x 7.1 x 10.6 inch
- Notes
- Gittarrenverstärker, 2 Kanäle getrennt regelbar, Kanal 2 mit Vibrato.
- Net weight (2.2 lb = 1 kg)
- 12 kg / 26 lb 6.9 oz (26.432 lb)
- Price in first year of sale
- 5,700.00 ATS
- Literature/Schematics (1)
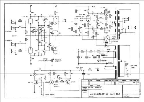
- -- Schematic (Astrovox-Schaltplan von 12.11.69)
- Author
- Model page created by Albert Weiss. See "Data change" for further contributors.
- Other Models
-
Here you find 11 models, 11 with images and 7 with schematics for wireless sets etc. In French: TSF for Télégraphie sans fil.
All listed radios etc. from Austrovox, Wien 7