- Country
- United States of America (USA)
- Manufacturer / Brand
- Autocrat Radio Co.; Chicago (IL)
- Year
- 1937 ?

- Category
- Broadcast Receiver - or past WW2 Tuner
- Radiomuseum.org ID
- 33619
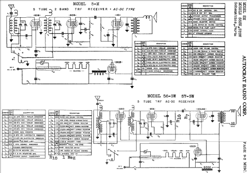
Click on the schematic thumbnail to request the schematic as a free document.
- Number of Tubes
- 4
- Main principle
- TRF (Tuned-Radio-Frequency but use of regeneration unknown)
- Tuned circuits
- 2 AM circuit(s)
- Wave bands
- Broadcast and Short Wave (SW).
- Power type and voltage
- AC/DC-set / 110 Volt
- Loudspeaker
- Electro Magnetic Dynamic LS (moving-coil with field excitation coil)
- Material
- Wooden case
- from Radiomuseum.org
- Model: 56-SW - Autocrat Radio Co.; Chicago IL
- Shape
- Tablemodel, with any shape - general.
- Notes
-
"L55B" ballast tube. If the the first tube was a 25L6 (metal) then model year 1936 is possible, if it is the 25L6G then the earlist year can be 1937 and if the first used tube was 25L6GT, then year 1938 is the earliest possible model year.
- External source of data
- Ernst Erb
- Source of data
- The Radio Collector's Directory and Price Guide 1921 - 1965
- Circuit diagram reference
- Rider's Perpetual, Volume 9 = 1938 and before
- Mentioned in
- Misc. Page 9-2
- Other Models
-
Here you find 106 models, 29 with images and 75 with schematics for wireless sets etc. In French: TSF for Télégraphie sans fil.
All listed radios etc. from Autocrat Radio Co.; Chicago (IL)