- Country
- New Zealand-Aotearoa
- Manufacturer / Brand
- Autocrat Radio Ltd.; Auckland
- Year
- 1960
- Category
- Broadcast Receiver - or past WW2 Tuner
- Radiomuseum.org ID
- 351169
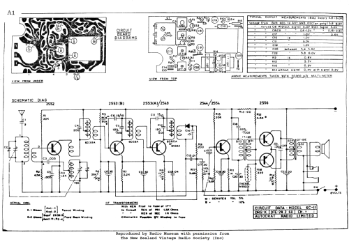
Click on the schematic thumbnail to request the schematic as a free document.
- Number of Transistors
- 8
- Main principle
- Superhet with RF-stage; 4 AF stage(s)
- Tuned circuits
- 8 AM circuit(s)
- Wave bands
- Broadcast and Short Wave (SW).
- Power type and voltage
- Dry Batteries / AA: 4 x 1.5 Volt
- Loudspeaker
- Permanent Magnet Dynamic (PDyn) Loudspeaker (moving coil)
- Material
- Plastics (no bakelite or catalin)
- from Radiomuseum.org
- Model: 8S.P2 - Autocrat Radio Ltd.; Auckland
- Shape
- Very small Portable or Pocket-Set (Handheld) < 8 inch.
- Notes
-
8-transistor shortwave and standard broadcast model. Complete with telescopic aerial, carry-case, and earphone. £32/10/0
- Price in first year of sale
- 32.50 NZ £
- Mentioned in
- -- Original prospect or advert (Press 5 December 1961 Page 9)
- Author
- Model page created by Brian Stevens. See "Data change" for further contributors.
- Other Models
-
Here you find 58 models, 55 with images and 42 with schematics for wireless sets etc. In French: TSF for Télégraphie sans fil.
All listed radios etc. from Autocrat Radio Ltd.; Auckland