601 Series A
Automatic Radio Mfg. Co.; Boston (MA)
- País
- Estados Unidos
- Fabricante / Marca
- Automatic Radio Mfg. Co.; Boston (MA)
- Año
- 1946/1947
- Categoría
- Radio - o Sintonizador pasado WW2
- Radiomuseum.org ID
- 155689
Haga clic en la miniatura esquemática para solicitarlo como documento gratuito.
- Numero de valvulas
- 5
- Principio principal
- Superheterodino en general; ZF/IF 455 kHz; 2 Etapas de AF
- Número de circuitos sintonía
- 5 Circuíto(s) AM
- Tensión de funcionamiento
- Red: Aparato AC/DC. / 117 Volt
- de Radiomuseum.org
- Modelo: 601 [Series A] - Automatic Radio Mfg. Co.;
- Anotaciones
- The Automatic model 601 Series A is an AC-DC Operated Superheterodyne with Self Contained Loop Antenna.
- Documentación / Esquemas (1)
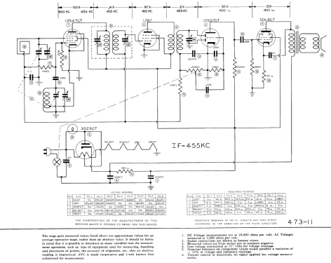
- Photofact Folder, Howard W. SAMS (Date: Feb 1947, Set 13, Folder 473-11)
- Documentación / Esquemas (2)
- Table Top Radios Vol. 1 Stein 98
- Documentación / Esquemas (3)
- Plastic Radios - The Antique Radio Collectors' Source Book
- Autor
- Modelo creado por Ernst Erb. Ver en "Modificar Ficha" los participantes posteriores.
- Otros modelos
-
Donde encontrará 401 modelos, 164 con imágenes y 321 con esquemas.
Ir al listado general de Automatic Radio Mfg. Co.; Boston (MA)