Alba Viscount 9904
Alba (Brand) Balcombe Ltd., ALBA (Radio & Television) Ltd; London
- Country
- Great Britain (UK)
- Manufacturer / Brand
- Alba (Brand) Balcombe Ltd., ALBA (Radio & Television) Ltd; London
- Year
- 1966 ?
- Category
- Broadcast Receiver - or past WW2 Tuner
- Radiomuseum.org ID
- 176618
-
- Brand: Alba
Click on the schematic thumbnail to request the schematic as a free document.
- Number of Tubes
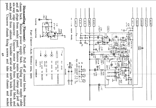
- 8
- Main principle
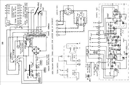
- Superheterodyne (common); ZF/IF 470/10700 kHz
- Wave bands
- Broadcast, (BC) Long Wave (LW), 2 x SW and FM or UHF.
- Details
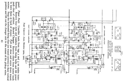
- Changer (Record changer)
- Power type and voltage
- Alternating Current supply (AC) / 105-125 / 200-250 Volt
- Loudspeaker
- 4 Loudspeakers
- from Radiomuseum.org
- Model: Alba Viscount 9904 - Alba Brand Balcombe Ltd., ALBA
- Notes
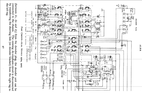
- Stereo radiogram with optional FM Stereo decoder unit.
- Source of data
- -- Schematic
- Circuit diagram reference
- Radio and TV Servicing books (R&TVS) book
- Author
- Model page created by Keith Staines. See "Data change" for further contributors.
- Other Models
-
Here you find 253 models, 132 with images and 166 with schematics for wireless sets etc. In French: TSF for Télégraphie sans fil.
All listed radios etc. from Alba (Brand) Balcombe Ltd., ALBA (Radio & Television) Ltd; London