Mexico ab 929050
Becker, Max Egon, Autoradiowerk Ittersbach bei Pforzheim
- Country
- Germany
- Manufacturer / Brand
- Becker, Max Egon, Autoradiowerk Ittersbach bei Pforzheim
- Year
- 1955/1956 ?
- Category
- Car Radio, perhaps also + sound player/recorder
- Radiomuseum.org ID
- 164386
Click on the schematic thumbnail to request the schematic as a free document.
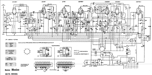
- Number of Tubes
- 7
- Main principle
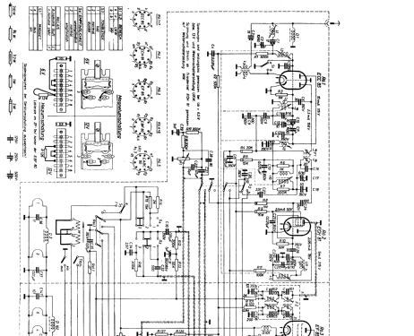
- Superhet with RF-stage; ZF/IF 460/10700 kHz
- Wave bands
- Broadcast (BC) and FM or UHF.
- Power type and voltage
- Storage Battery for all (e.g. for car radios and amateur radios) / 6; 12 Volt
- Loudspeaker
- - For headphones or amp.
- Material
- Metal case
- from Radiomuseum.org
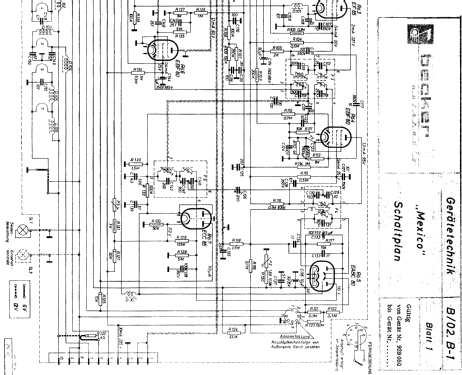
- Model: Mexico [ab 929050] - Becker, Max Egon,
- Shape
- Chassis only or for «building in»
- Notes
-
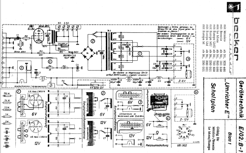
Benötigt "Umrichter E" mit Endstufe EL84.
- Source of data
- -- Original-techn. papers.
- Author
- Model page created by Heribert Jung. See "Data change" for further contributors.
- Other Models
-
Here you find 312 models, 228 with images and 161 with schematics for wireless sets etc. In French: TSF for Télégraphie sans fil.
All listed radios etc. from Becker, Max Egon, Autoradiowerk Ittersbach bei Pforzheim
Collections
The model Mexico is part of the collections of the following members.