Super Bell 7 DC
Bell Telephone Mfg. Co. (Radiobell); Antwerp
- Country
- Belgium
- Manufacturer / Brand
- Bell Telephone Mfg. Co. (Radiobell); Antwerp
- Year
- 1933/1934
- Category
- Broadcast Receiver - or past WW2 Tuner
- Radiomuseum.org ID
- 203037
-
- Brand: Radiobell
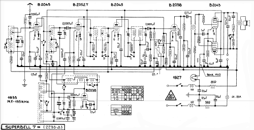
Click on the schematic thumbnail to request the schematic as a free document.
- Number of Tubes
- 7
- Main principle
- Superheterodyne (common); ZF/IF 135 kHz
- Wave bands
- Broadcast, Long Wave and 2 x Short Wave.
- Power type and voltage
- Direct Current supply (DC)
- Loudspeaker
- Electro Magnetic Dynamic LS (moving-coil with field excitation coil)
- from Radiomuseum.org
- Model: Super Bell 7 [DC] - Bell Telephone Mfg. Co.
- Notes
- Also listed as Superbell 7.
See also Bell 50 variants with nearly the same case: no switch on the side and only 5 tubes (TRF).
2 Wave-bands. Switch on the side.
- Price in first year of sale
- 3,750.00 BFR
- Source of data
- Manuel de la Radio 1940, van Cortenberghe
- Other Models
-
Here you find 284 models, 244 with images and 118 with schematics for wireless sets etc. In French: TSF for Télégraphie sans fil.
All listed radios etc. from Bell Telephone Mfg. Co. (Radiobell); Antwerp