612 Ch= Series A
Belmont Radio Corp. (B.R.C.); Chicago, Ill.
- Pays
- Etats-Unis
- Fabricant / Marque
- Belmont Radio Corp. (B.R.C.); Chicago, Ill.
- Année
- 1941 ??
- Catégorie
- Radio - ou tuner d'après la guerre 1939-45
- Radiomuseum.org ID
- 34211
Cliquez sur la vignette du schéma pour le demander en tant que document gratuit.
- No. de tubes
- 5
- Principe général
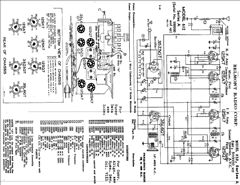
- Super hétérodyne avec étage HF; FI/IF 465 kHz
- Gammes d'ondes
- PO uniquement
- Tension / type courant
- Appareil tous courants (CA / CC) / 105-125 Volt
- Haut-parleur
- HP dynamique à aimant permanent + bobine mobile / Ø 5 inch = 12.7 cm
- De Radiomuseum.org
- Modèle: 612 Ch= Series A - Belmont Radio Corp. B.R.C.;
- Remarques
- Built in loop antenna.
- Source extérieure
- Ernst Erb
- Source du schéma
- Rider's Perpetual, Volume 12 = ca. 1941 and before
- D'autres Modèles
-
Vous pourrez trouver sous ce lien 442 modèles d'appareils, 207 avec des images et 383 avec des schémas.
Tous les appareils de Belmont Radio Corp. (B.R.C.); Chicago, Ill.