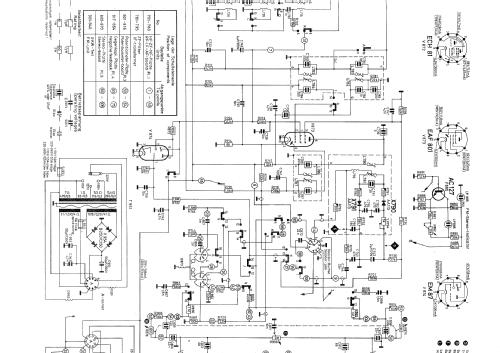
Arkansas 43400 Ch= 23400
Blaupunkt (Ideal), Berlin, später Hildesheim
- Pays
- Allemagne
- Fabricant / Marque
- Blaupunkt (Ideal), Berlin, später Hildesheim
- Année
- 1963/1964
- Catégorie
- Radio - ou tuner d'après la guerre 1939-45
- Radiomuseum.org ID
- 24812
-
- alternative name: Ideal-Radiotelephon- und App-fabr. || Ideal-Werke AG; Berlin (ab 1934)
- Brand: Rotstern
Cliquez sur la vignette du schéma pour le demander en tant que document gratuit.
- No. de tubes
- 6
- No. de transistors
- 1
- Principe général
- Super hétérodyne (en général); FI/IF 452 or 460/10700 kHz
- Circuits accordés
- 6 Circuits MA (AM) 10 Circuits MF (FM)
- Gammes d'ondes
- PO, GO, OC et FM
- Particularités
- Tourne disque avec changeur
- Tension / type courant
- Alimentation Courant Alternatif (CA) / 110; 127; 155; 220 Volt
- Haut-parleur
- 4 HP
- Puissance de sortie
- 8 W (qualité inconnue)
- Matière
- Boitier en bois
- De Radiomuseum.org
- Modèle: Arkansas 43400 Ch= 23400 - Blaupunkt Ideal, Berlin,
- Forme
- Console avec des boutons-poussoirs
- Dimensions (LHP)
- 1228 x 830 x 390 mm / 48.3 x 32.7 x 15.4 inch
- Remarques
-
Rundfunk-Chassis = Granada 23400
Phono-Chassis = Perpetuum-Ebner PE66FM bis 104 MHz. FM Stereo-Decoder IV nachrüstbar.
2 Oval-Lautsprecher 26 x 18 cm, 2 Hochtöner 10 cm.
- Poids net
- 52 kg / 114 lb 8.6 oz (114.537 lb)
- Source extérieure
- Erb
- Source
- Handbuch VDRG 1963/1964
- Littérature
- -- Original-techn. papers.
- D'autres Modèles
-
Vous pourrez trouver sous ce lien 3610 modèles d'appareils, 3303 avec des images et 2355 avec des schémas.
Tous les appareils de Blaupunkt (Ideal), Berlin, später Hildesheim