Ballett 21010
Blaupunkt (Ideal), Berlin, später Hildesheim
- Pays
- Allemagne
- Fabricant / Marque
- Blaupunkt (Ideal), Berlin, später Hildesheim
- Année
- 1962/1963
- Catégorie
- Radio - ou tuner d'après la guerre 1939-45
- Radiomuseum.org ID
- 24260
-
- alternative name: Ideal-Radiotelephon- und App-fabr. || Ideal-Werke AG; Berlin (ab 1934)
- Brand: Rotstern
Cliquez sur la vignette du schéma pour le demander en tant que document gratuit.
- No. de tubes
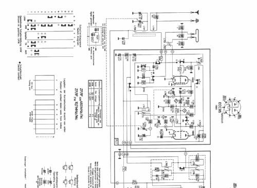
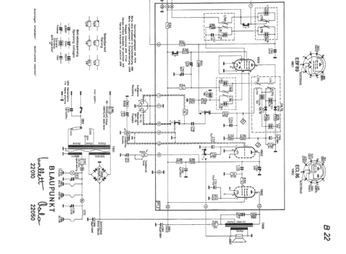
- 3
- Principe général
- Super hétérodyne (en général); FI/IF 460/10700 kHz
- Circuits accordés
- 6 Circuits MA (AM) 10 Circuits MF (FM)
- Gammes d'ondes
- PO et FM
- Tension / type courant
- Alimentation Courant Alternatif (CA) / 110; 127; 220 Volt
- Haut-parleur
- HP dynamique oval à aimant permanent
- Puissance de sortie
- 6 W (qualité inconnue)
- Matière
- Boitier en bois
- De Radiomuseum.org
- Modèle: Ballett 21010 - Blaupunkt Ideal, Berlin,
- Forme
- Modèle de table avec boutons poussoirs.
- Dimensions (LHP)
- 340 x 210 x 150 mm / 13.4 x 8.3 x 5.9 inch
- Remarques
- Dioden: 2× OA79.
- Poids net
- 4.5 kg / 9 lb 14.6 oz (9.912 lb)
- Prix de mise sur le marché
- 235.00 DM
- Source extérieure
- Erb
- Source
- Handbuch VDRG 1962/1963
- D'autres Modèles
-
Vous pourrez trouver sous ce lien 3610 modèles d'appareils, 3303 avec des images et 2355 avec des schémas.
Tous les appareils de Blaupunkt (Ideal), Berlin, später Hildesheim