Stereo Booster BSB 40-2 7.607.378.110 ab 250001
Blaupunkt (Ideal), Berlin, später Hildesheim
- Hersteller / Marke
- Blaupunkt (Ideal), Berlin, später Hildesheim
- Jahr
- 1980 ??
- Kategorie
- NF-(Niederfrequenz-) Verstärker oder -Mixer
- Radiomuseum.org ID
- 146302
-
- anderer Name: Ideal-Radiotelephon- und App-fabr. || Ideal-Werke AG; Berlin (ab 1934)
- Marke: Rotstern
Klicken Sie auf den Schaltplanausschnitt, um diesen kostenlos als Dokument anzufordern.
- Hauptprinzip
- NF-Verstärkung
- Wellenbereiche
- - ohne
- Betriebsart / Volt
- AKKU-Speisung (für alles, z.B. bei Autoradios und Amateurgeräten) / 12 Volt
- Lautsprecher
- - Dieses Modell benötigt externe(n) Lautsprecher.
- Material
- Metallausführung
Die GFGF Zeitschrift Funkgeschichte bringt interessante Artikel zu Radios, Funkwesen und Medien. Bei Radiomuseum.org finden Sie die vollständigen Hefte früherer Ausgaben als PDF zum Download.
- von Radiomuseum.org
- Modell: Stereo Booster BSB 40-2 7.607.378.110 [ab 250001] - Blaupunkt Ideal, Berlin,
- Form
- Chassis - Einbaugerät
- Abmessungen (BHT)
- 176 x 43 x 105 mm / 6.9 x 1.7 x 4.1 inch
- Bemerkung
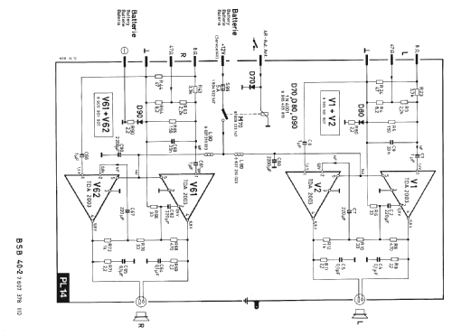
- ICs: 4
Booster BSB40-2; Nennleistung: 2× 18 W (Sinus) an 4 Ohm; Frequenzgang: 30-16000 Hz.
- Literaturnachweis
- -- Original-techn. papers.
- Autor
- Modellseite von Josef Pilz angelegt. Siehe bei "Änderungsvorschlag" für weitere Mitarbeit.
- Weitere Modelle
-
Hier finden Sie 3612 Modelle, davon 3305 mit Bildern und 2357 mit Schaltbildern.
Alle gelisteten Radios usw. von Blaupunkt (Ideal), Berlin, später Hildesheim
Sammlungen
Das Modell Stereo Booster BSB 40-2 befindet sich in den Sammlungen folgender Mitglieder.