Derby H 7.650.720
Blaupunkt (Ideal), Berlin, später Hildesheim
- Pays
- Allemagne
- Fabricant / Marque
- Blaupunkt (Ideal), Berlin, später Hildesheim
- Année
- 1970–1973
- Catégorie
- Radio - ou tuner d'après la guerre 1939-45
- Radiomuseum.org ID
- 896
-
- alternative name: Ideal-Radiotelephon- und App-fabr. || Ideal-Werke AG; Berlin (ab 1934)
- Brand: Rotstern
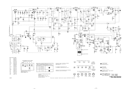
Cliquez sur la vignette du schéma pour le demander en tant que document gratuit.
- No. de transistors
- 12
- Semi-conducteurs
- Principe général
- Super hétérodyne (en général); FI/IF 460/10700 kHz
- Circuits accordés
- 7 Circuits MA (AM) 11 Circuits MF (FM)
- Gammes d'ondes
- PO, GO, OC et FM
- Tension / type courant
- Secteur et Piles (tous types). / 220 / 6×1,5; 2×4,5 Volt
- Haut-parleur
- HP dynamique à aimant permanent + bobine mobile / Ø 10 cm = 3.9 inch
- Puissance de sortie
- 1.5 W (qualité inconnue)
- Matière
- Plastique moderne (pas de bakélite, ni de catalin)
- De Radiomuseum.org
- Modèle: Derby H 7.650.720 - Blaupunkt Ideal, Berlin,
- Forme
- Portative > 20 cm (sans nécessité secteur)
- Dimensions (LHP)
- 295 x 168 x 74 mm / 11.6 x 6.6 x 2.9 inch
- Remarques
- Bei Netzbetrieb beträgt die Ausgangsleistung 2 W.
- Poids net
- 2.5 kg / 5 lb 8.1 oz (5.507 lb)
- Source
- Handbuch VDRG 1970/1971 / Radiokatalog Band 1, Ernst Erb
- D'autres Modèles
-
Vous pourrez trouver sous ce lien 3610 modèles d'appareils, 3303 avec des images et 2355 avec des schémas.
Tous les appareils de Blaupunkt (Ideal), Berlin, später Hildesheim
Collections
Le modèle Derby H fait partie des collections des membres suivants.
Contributions du forum pour ce modèle: Blaupunkt Ideal,: Derby H 7.650.720
Discussions: 1 | Publications: 1