Essen 7.637.200 ab Y 1300001
Blaupunkt (Ideal), Berlin, später Hildesheim
- Pays
- Allemagne
- Fabricant / Marque
- Blaupunkt (Ideal), Berlin, später Hildesheim
- Année
- 1967/1968
- Catégorie
- Autoradio, ev. avec cassette
- Radiomuseum.org ID
- 27192
-
- alternative name: Ideal-Radiotelephon- und App-fabr. || Ideal-Werke AG; Berlin (ab 1934)
- Brand: Rotstern
Cliquez sur la vignette du schéma pour le demander en tant que document gratuit.
- No. de transistors
- 12
- Semi-conducteurs
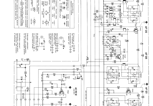
- AF106 AF201 AF126 AF126 AF126 AF121 AF121 AC151 or. AC125 AC125 or. AC151 AC153 or. AC128 AD148 AD148 E45C50 AA112 BA121 SIS20 Z1,5
- Principe général
- Super hétérodyne (en général); FI/IF 452 or 460/10700 kHz
- Circuits accordés
- 8 Circuits MA (AM) 13 Circuits MF (FM)
- Gammes d'ondes
- PO, GO, OC et FM
- Tension / type courant
- Accumulateur (par exemple pour autoradios ou radio) / 6; 12 Volt
- Haut-parleur
- - Ce modèle nécessite des HP externes
- Puissance de sortie
- 4 W (qualité inconnue)
- Matière
- Boitier métallique
- De Radiomuseum.org
- Modèle: Essen 7.637.200 ab Y 1300001 - Blaupunkt Ideal, Berlin,
- Forme
- Chassis (pour intégration dans meuble)
- Dimensions (LHP)
- 178 x 50 x 147 mm / 7 x 2 x 5.8 inch
- Remarques
- Halbleiter teilweise mehrfach vorhanden.
Ausgangsleistung bei 12 V = 5 W.
- Poids net
- 1.8 kg / 3 lb 15.4 oz (3.965 lb)
- Prix de mise sur le marché
- 298.00 DM
- Source extérieure
- erb
- Source
- Handbuch VDRG 1967/1968
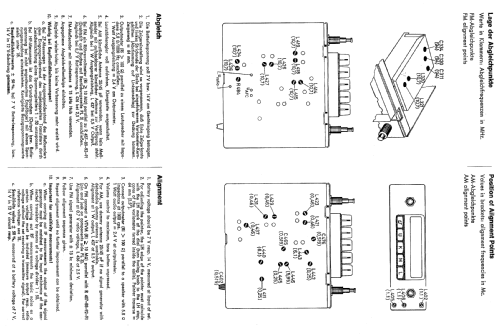
- Schémathèque (1)
- -- Original-techn. papers.
- D'autres Modèles
-
Vous pourrez trouver sous ce lien 3610 modèles d'appareils, 3303 avec des images et 2356 avec des schémas.
Tous les appareils de Blaupunkt (Ideal), Berlin, später Hildesheim
Collections
Le modèle Essen fait partie des collections des membres suivants.