Exportsuper 34750 ab V 765001
Blaupunkt (Ideal), Berlin, später Hildesheim
- Pays
- Allemagne
- Fabricant / Marque
- Blaupunkt (Ideal), Berlin, später Hildesheim
- Année
- 1964/1965
- Catégorie
- Autoradio, ev. avec cassette
- Radiomuseum.org ID
- 158465
-
- alternative name: Ideal-Radiotelephon- und App-fabr. || Ideal-Werke AG; Berlin (ab 1934)
- Brand: Rotstern
Cliquez sur la vignette du schéma pour le demander en tant que document gratuit.
- No. de transistors
- 19
- Semi-conducteurs
- Principe général
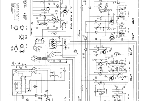
- Super hétérodyne, conversion double ou triple; FI/IF 460/10700/6700 kHz
- Gammes d'ondes
- Bandes en notes
- Tension / type courant
- Accumulateur (par exemple pour autoradios ou radio) / 6; 12 Volt
- Haut-parleur
- - Ce modèle nécessite des HP externes
- Puissance de sortie
- 4 W (qualité inconnue)
- Matière
- Boitier métallique
- De Radiomuseum.org
- Modèle: Exportsuper 34750 ab V 765001 - Blaupunkt Ideal, Berlin,
- Forme
- Chassis (pour intégration dans meuble)
- Dimensions (LHP)
- 183 x 60 x 147 mm / 7.2 x 2.4 x 5.8 inch
- Remarques
- Exportgerät; FM 87-108 MHz, AM 519-1640 kHz, M 2,7-3,15 MHz; Sendersuchlauf; Gerät zweiteilig, Abmessung NF-Verstärker: 183×60×52 mm.
- Poids net
- 3.2 kg / 7 lb 0.8 oz (7.048 lb)
- Schémathèque (1)
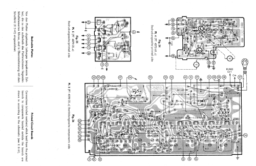
- -- Original-techn. papers.
- Auteur
- Modèle crée par Richard Winter. Voir les propositions de modification pour les contributeurs supplémentaires.
- D'autres Modèles
-
Vous pourrez trouver sous ce lien 3613 modèles d'appareils, 3306 avec des images et 2357 avec des schémas.
Tous les appareils de Blaupunkt (Ideal), Berlin, später Hildesheim
Collections
Le modèle Exportsuper 34750 fait partie des collections des membres suivants.