Hamburg FR 7.631.525 ab Nr.: 4130001
Blaupunkt (Ideal), Berlin, später Hildesheim
- País
- Alemania
- Fabricante / Marca
- Blaupunkt (Ideal), Berlin, später Hildesheim
- Año
- 1972
- Categoría
- Autoradio
- Radiomuseum.org ID
- 147344
-
- alternative name: Ideal-Radiotelephon- und App-fabr. || Ideal-Werke AG; Berlin (ab 1934)
- Brand: Rotstern
Haga clic en la miniatura esquemática para solicitarlo como documento gratuito.
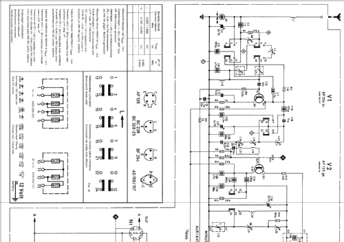
- Numero de transistores
- 9
- Principio principal
- Superheterodino en general; ZF/IF 460 or 452 kHz
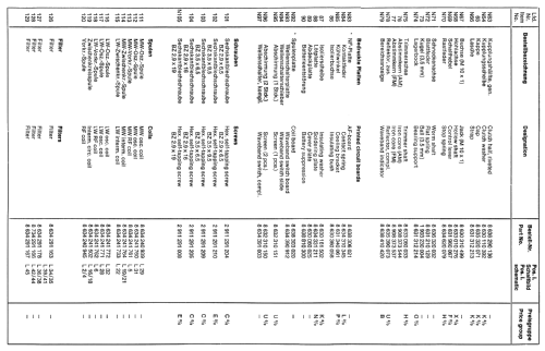
- Número de circuitos sintonía
- 8 Circuíto(s) AM
- Gama de ondas
- OM y OL
- Tensión de funcionamiento
- Bateria recargable / 12 Volt
- Altavoz
- - Este modelo usa altavoz exterior (1 o más).
- Potencia de salida
- 4 W (unknown quality)
- Material
- Metálico
- de Radiomuseum.org
- Modelo: Hamburg FR 7.631.525 ab Nr.: 4130001 - Blaupunkt Ideal, Berlin,
- Forma
- Chasis (tambien de autoradio)
- Ancho, altura, profundidad
- 179 x 43 x 115 mm / 7 x 1.7 x 4.5 inch
- Anotaciones
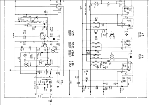
- 3-Kreis-Variometerabstimmung
- Mencionado en
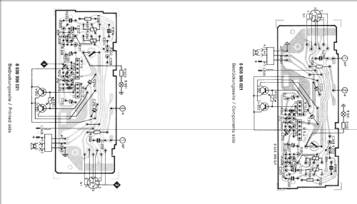
- Original Blaupunkt Service Unterlagen
- Documentación / Esquemas (1)
- -- Original-techn. papers.
- Autor
- Modelo creado por Josef Pilz. Ver en "Modificar Ficha" los participantes posteriores.
- Otros modelos
-
Donde encontrará 3612 modelos, 3305 con imágenes y 2357 con esquemas.
Ir al listado general de Blaupunkt (Ideal), Berlin, später Hildesheim