Limburg-Mono 7.635.222 ab 6 000 001
Blaupunkt (Ideal), Berlin, später Hildesheim
- Country
- Germany
- Manufacturer / Brand
- Blaupunkt (Ideal), Berlin, später Hildesheim
- Year
- 1978 ?
- Category
- Car Radio, perhaps also + sound player/recorder
- Radiomuseum.org ID
- 148153
-
- alternative name: Ideal-Radiotelephon- und App-fabr. || Ideal-Werke AG; Berlin (ab 1934)
- Brand: Rotstern
Click on the schematic thumbnail to request the schematic as a free document.
- Number of Transistors
- 9
- Semiconductors
- Main principle
- Superheterodyne (common); ZF/IF 480 kHz
- Tuned circuits
- 6 AM circuit(s)
- Wave bands
- Broadcast (MW) and Long Wave.
- Details
- Cassette-Recorder or -Player
- Power type and voltage
- Storage Battery for all (e.g. for car radios and amateur radios) / 12 Volt
- Loudspeaker
- - This model requires external speaker(s).
- Power out
- 4 W (unknown quality)
- Material
- Metal case
- from Radiomuseum.org
- Model: Limburg-Mono 7.635.222 [ab 6 000 001] - Blaupunkt Ideal, Berlin,
- Shape
- Chassis only or for «building in»
- Notes
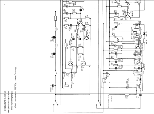
- 1 IC; 4 voreingestellte LW-Sender. Plan sch1a u. b ohne autom. Endabschaltung Plan sch2a - sch2c ist mit autom. Endabschaltung
- Mentioned in
- Original Blaupunkt Service Unterlagen
- Author
- Model page created by Josef Pilz. See "Data change" for further contributors.
- Other Models
-
Here you find 3591 models, 3280 with images and 2332 with schematics for wireless sets etc. In French: TSF for Télégraphie sans fil.
All listed radios etc. from Blaupunkt (Ideal), Berlin, später Hildesheim