Monaco Export
Blaupunkt (Ideal), Berlin, später Hildesheim
- Hersteller / Marke
- Blaupunkt (Ideal), Berlin, später Hildesheim
- Jahr
- 1958 ?
- Kategorie
- Rundfunkempfänger (Radio - oder Tuner nach WW2)
- Radiomuseum.org ID
- 175186
-
- anderer Name: Ideal-Radiotelephon- und App-fabr. || Ideal-Werke AG; Berlin (ab 1934)
- Marke: Rotstern
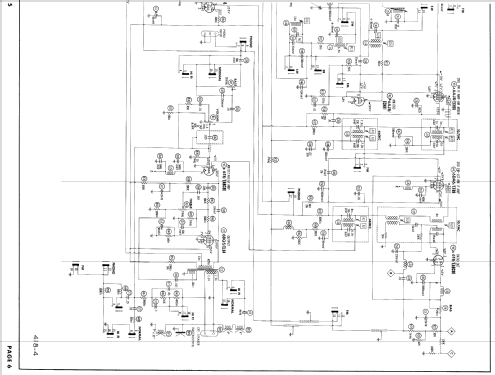
Klicken Sie auf den Schaltplanausschnitt, um diesen kostenlos als Dokument anzufordern.
- Anzahl Röhren
- 7
- Hauptprinzip
- Super mit HF-Vorstufe; ZF/IF 460/10700 kHz
- Wellenbereiche
- Langwelle, Mittelwelle, Kurzwelle und UKW.
- Betriebsart / Volt
- Wechselstromspeisung / 110; 127; 155; 220; 240 Volt
- Lautsprecher
- 4 Lautsprecher
- Material
- Gerät mit Holzgehäuse
Die GFGF Zeitschrift Funkgeschichte bringt interessante Artikel zu Radios, Funkwesen und Medien. Bei Radiomuseum.org finden Sie die vollständigen Hefte früherer Ausgaben als PDF zum Download.
- von Radiomuseum.org
- Modell: Monaco [Export] - Blaupunkt Ideal, Berlin,
- Form
- Tischgerät, Tasten oder Druckknöpfe.
- Bemerkung
- The Blaupunkt Model Monaco is an AC operated FM-BC-SW 7 Tube Receiver.
Supplier: N. Pickens Import Co., 31 East 14th Street, New York 3, N. Y
- Literatur/Schema (1)
- Photofact Folder, Howard W. SAMS (Date 10-58, Set 418, Folder 4)
- Autor
- Modellseite von Egon Penker angelegt. Siehe bei "Änderungsvorschlag" für weitere Mitarbeit.
- Weitere Modelle
-
Hier finden Sie 3612 Modelle, davon 3305 mit Bildern und 2357 mit Schaltbildern.
Alle gelisteten Radios usw. von Blaupunkt (Ideal), Berlin, später Hildesheim