München V (5) ab V 993001
Blaupunkt (Ideal), Berlin, später Hildesheim
- Country
- Germany
- Manufacturer / Brand
- Blaupunkt (Ideal), Berlin, später Hildesheim
- Year
- 1964–1966
- Category
- Car Radio, perhaps also + sound player/recorder
- Radiomuseum.org ID
- 25932
-
- alternative name: Ideal-Radiotelephon- und App-fabr. || Ideal-Werke AG; Berlin (ab 1934)
- Brand: Rotstern
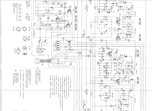
Click on the schematic thumbnail to request the schematic as a free document.
- Number of Transistors
- 21
- Main principle
- Superhet, double/triple conversion; ZF/IF 460/10700/6700 kHz
- Tuned circuits
- 10 AM circuit(s) 16 FM circuit(s)
- Wave bands
- Broadcast, Long Wave and FM or UHF.
- Power type and voltage
- Storage Battery for all (e.g. for car radios and amateur radios) / 12; 24 Volt
- Loudspeaker
- - This model requires external speaker(s).
- Power out
- 12 W (unknown quality)
- Material
- Metal case
- from Radiomuseum.org
- Model: München V ab V 993001 - Blaupunkt Ideal, Berlin,
- Notes
-
Halbleiter teilweise mehrfach vorhanden.
Omnibusanlage München V bestehend aus Empfängerteil Köln Serie V ohne NF-Stufe, Bedienungsteil und Leistungsverstärker.
12-W-Gegentakt-Endstufe, Klangbildwähler zur stufenlosen Baß-Sopran-Regelung; Anschlüsse für 7 Lautsprecher (5 Ohm).
Ausführung: 2 Metallgehäuse und Montageplatte.
Empfängerteil: 13,8 x 18,3 x 12,5 cm
Verstärkerteil mit Montageplatte: 23 x 15 x 8,7 cm.
- Net weight (2.2 lb = 1 kg)
- 7.1 kg / 15 lb 10.2 oz (15.639 lb)
- Price in first year of sale
- 825.00 DM
- External source of data
- Erb
- Source of data
- Handbuch VDRG 1964/1965
- Mentioned in
- Handbuch VDRG 1965/1966
- Literature/Schematics (1)
- -- Original-techn. papers.
- Other Models
-
Here you find 3610 models, 3303 with images and 2356 with schematics for wireless sets etc. In French: TSF for Télégraphie sans fil.
All listed radios etc. from Blaupunkt (Ideal), Berlin, später Hildesheim
Collections
The model München V (5) is part of the collections of the following members.