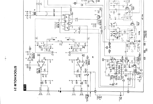
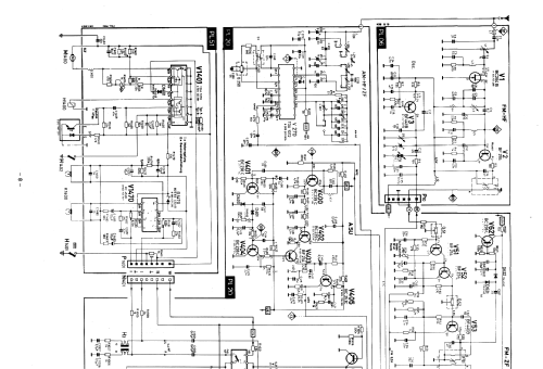
Porto 21 7.641.048.419
Blaupunkt (Ideal), Berlin, später Hildesheim
- Country
- Germany
- Manufacturer / Brand
- Blaupunkt (Ideal), Berlin, später Hildesheim
- Year
- 1981/1982
- Category
- Car Radio, perhaps also + sound player/recorder
- Radiomuseum.org ID
- 128918
-
- alternative name: Ideal-Radiotelephon- und App-fabr. || Ideal-Werke AG; Berlin (ab 1934)
- Brand: Rotstern
Click on the schematic thumbnail to request the schematic as a free document.
- Number of Transistors
- 17
- Semiconductors
- Main principle
- Superheterodyne (common); ZF/IF 455/10700 kHz
- Wave bands
- Broadcast (BC) and FM or UHF.
- Details
- Cassette-Recorder or -Player
- Power type and voltage
- Storage Battery for all (e.g. for car radios and amateur radios) / 12 Volt
- Loudspeaker
- - This model requires external speaker(s).
- Material
- Metal case
- from Radiomuseum.org
- Model: Porto 21 7.641.048.419 - Blaupunkt Ideal, Berlin,
- Shape
- Chassis only or for «building in»
- Dimensions (WHD)
- 185 x 60 x 180 mm / 7.3 x 2.4 x 7.1 inch
- Notes
- Stereogerät mit Tonblende, manueller Senderwahl und schnellem Vor-/Rücklauf der Bandkassette. Ausgangsleistung 2× 9 W (Sinus).
- Net weight (2.2 lb = 1 kg)
- 1.3 kg / 2 lb 13.8 oz (2.863 lb)
- Author
- Model page created by Karl Reiter. See "Data change" for further contributors.
- Other Models
-
Here you find 3616 models, 3308 with images and 2357 with schematics for wireless sets etc. In French: TSF for Télégraphie sans fil.
All listed radios etc. from Blaupunkt (Ideal), Berlin, später Hildesheim
Collections
The model Porto 21 is part of the collections of the following members.