Stuttgart ab X 905001
Blaupunkt (Ideal), Berlin, später Hildesheim
- Paese
- Germania
- Produttore / Marca
- Blaupunkt (Ideal), Berlin, später Hildesheim
- Anno
- 1966/1967
- Categoria
- Autoradio, eventualmente con registratore a cassette o giradischi
- Radiomuseum.org ID
- 26777
-
- alternative name: Ideal-Radiotelephon- und App-fabr. || Ideal-Werke AG; Berlin (ab 1934)
- Brand: Rotstern
Clicca sulla miniatura dello schema per richiederlo come documento gratuito.
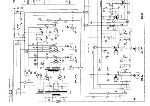
- Numero di transistor
- 10
- Semiconduttori
- AF126 AF126 AF126 AF121 AF127 AC126 or. AC125 AC125 or. AC151 AC153 or. AC128 AD148 AD148 AA112 SIS20 XZ868/25x E45C50
- Principio generale
- Supereterodina (in generale); ZF/IF 460 or. 452 kHz
- N. di circuiti accordati
- 8 Circuiti Mod. Amp. (AM)
- Gamme d'onda
- Onde medie (OM), lunghe (OL) e corte (OC).
- Tensioni di funzionamento
- Batteria di accumulatori, per tutto (es. autoradio, radio amatoriali) / 6; 12 Volt
- Altoparlante
- - Questo apparecchio richiede altoparlante/i esterno/i.
- Potenza d'uscita
- 4 W (qualità ignota)
- Materiali
- Mobile di metallo
- Radiomuseum.org
- Modello: Stuttgart ab X 905001 - Blaupunkt Ideal, Berlin,
- Forma
- Chassis o in scatola da montaggio
- Dimensioni (LxAxP)
- 178 x 50 x 147 mm / 7 x 2 x 5.8 inch
- Annotazioni
- Halbleiter teilweise mehrfach vorhanden.
Ausgangsleistung bei 12 V = 6 W. Omnimat-Wählautomatik.
- Peso netto
- 2 kg / 4 lb 6.5 oz (4.405 lb)
- Prezzo nel primo anno
- 268.00 DM
- Fonte esterna dei dati
- erb
- Fonte dei dati
- Handbuch VDRG 1966/1967
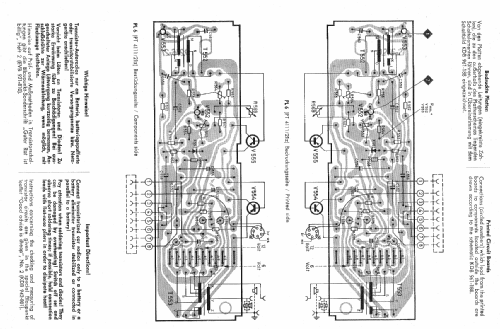
- Letteratura / Schemi (1)
- -- Original-techn. papers.
- Altri modelli
-
In questo link sono elencati 3611 modelli, di cui 3304 con immagini e 2356 con schemi.
Elenco delle radio e altri apparecchi della Blaupunkt (Ideal), Berlin, später Hildesheim