Toskana 7.674.440
Blaupunkt (Ideal), Berlin, später Hildesheim
- Country
- Germany
- Manufacturer / Brand
- Blaupunkt (Ideal), Berlin, später Hildesheim
- Year
- 1974/1975
- Category
- Television Receiver (TV) or Monitor
- Radiomuseum.org ID
- 205861
-
- alternative name: Ideal-Radiotelephon- und App-fabr. || Ideal-Werke AG; Berlin (ab 1934)
- Brand: Rotstern
Click on the schematic thumbnail to request the schematic as a free document.
- Number of Tubes
- 1
- Valves / Tubes
- A61-120W
- Number of Transistors
- 24
- Semiconductors
- Main principle
- Superheterodyne (common)
- Wave bands
- VHF incl. FM and/or UHF (see notes for details)
- Power type and voltage
- Alternating Current supply (AC) / 220 Volt
- Loudspeaker
- Permanent Magnet Dynamic (PDyn) Loudspeaker (moving coil) - elliptical
- Power out
- 2 W (unknown quality)
- Material
- Wooden case
- from Radiomuseum.org
- Model: Toskana 7.674.440 - Blaupunkt Ideal, Berlin,
- Shape
- Tablemodel, low profile (big size).
- Notes
- Empfangsbereiche: VHF Bereich I 47-68 MHz, VHF Bereich III 174-230 MHz und UHF 470-796 MHz. 6 Programmtasten.
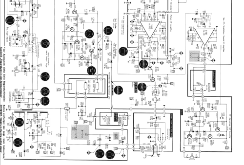
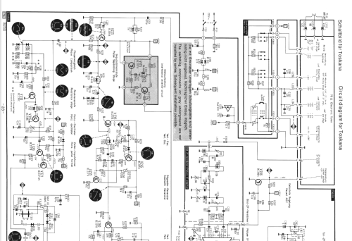
- Literature/Schematics (1)
- -- Original-techn. papers.
- Author
- Model page created by Richard Winter. See "Data change" for further contributors.
- Other Models
-
Here you find 3612 models, 3305 with images and 2357 with schematics for wireless sets etc. In French: TSF for Télégraphie sans fil.
All listed radios etc. from Blaupunkt (Ideal), Berlin, später Hildesheim