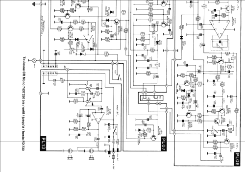
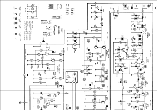
Toulouse CR Mono 7. 637. 250 ab K 7560001
Blaupunkt (Ideal), Berlin, später Hildesheim
- Pays
- Allemagne
- Fabricant / Marque
- Blaupunkt (Ideal), Berlin, später Hildesheim
- Année
- 1979 ??
- Catégorie
- Autoradio, ev. avec cassette
- Radiomuseum.org ID
- 152567
-
- alternative name: Ideal-Radiotelephon- und App-fabr. || Ideal-Werke AG; Berlin (ab 1934)
- Brand: Rotstern
Cliquez sur la vignette du schéma pour le demander en tant que document gratuit.
- No. de transistors
- 21
- Semi-conducteurs
- Principe général
- Super hétérodyne (en général); FI/IF 455/10700 kHz
- Circuits accordés
- 6 Circuits MA (AM) 7 Circuits MF (FM)
- Gammes d'ondes
- PO et FM
- Particularités
- Magnétophone à cassettes
- Tension / type courant
- Accumulateur (par exemple pour autoradios ou radio) / 12 Volt
- Haut-parleur
- - Ce modèle nécessite des HP externes
- Matière
- Boitier métallique
- De Radiomuseum.org
- Modèle: Toulouse CR Mono 7. 637. 250 [ab K 7560001] - Blaupunkt Ideal, Berlin,
- Forme
- Chassis (pour intégration dans meuble)
- Dimensions (LHP)
- 179 x 43 x 135 mm / 7 x 1.7 x 5.3 inch
- Remarques
- 3 IC;
- Littérature
- Original Blaupunkt Service Unterlagen
- Auteur
- Modèle crée par Josef Pilz. Voir les propositions de modification pour les contributeurs supplémentaires.
- D'autres Modèles
-
Vous pourrez trouver sous ce lien 3610 modèles d'appareils, 3303 avec des images et 2355 avec des schémas.
Tous les appareils de Blaupunkt (Ideal), Berlin, später Hildesheim