Video Recorder RTV-454
Blaupunkt (Ideal), Berlin, später Hildesheim
- Paese
- Germania
- Produttore / Marca
- Blaupunkt (Ideal), Berlin, später Hildesheim
- Anno
- 1987 ?
- Categoria
- Registratore audio/video e/o riproduttore
- Radiomuseum.org ID
- 231292
-
- alternative name: Ideal-Radiotelephon- und App-fabr. || Ideal-Werke AG; Berlin (ab 1934)
- Brand: Rotstern
Clicca sulla miniatura dello schema per richiederlo come documento gratuito.
- Numero di transistor
- A semiconduttori.
- Semiconduttori
- Principio generale
- Supereterodina (in generale)
- Gamme d'onda
- VHF/UHF (ved. i dettagli nelle note)
- Particolarità
- Videoregistratore (nastro); Telecomando (con o senza filo)
- Tensioni di funzionamento
- Alimentazione a corrente alternata (CA) / 220 Volt
- Altoparlante
- - Per cuffie o amplificatori esterni
- Materiali
- Vari materiali
- Radiomuseum.org
- Modello: Video Recorder RTV-454 - Blaupunkt Ideal, Berlin,
- Forma
- Soprammobile basso, con andamento orizzontale (grosse dimensioni).
- Dimensioni (LxAxP)
- 430 x 82 x 370 mm / 16.9 x 3.2 x 14.6 inch
- Annotazioni
-
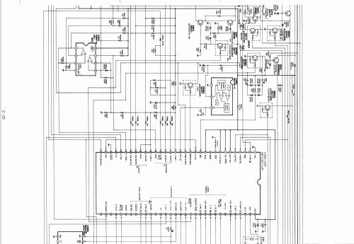
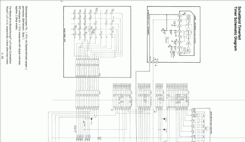
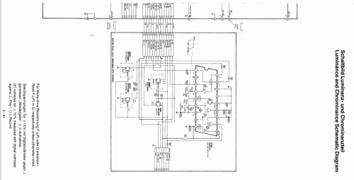
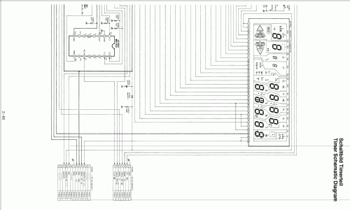
Blaupunkt Video Recorder RTV-454,
Video-Format: VHS-Standard, VPS, HiFi-Stereo, One-Touch-Recording (OTR), Frontlader, UHF/VHF.
- Fonte dei dati
- -- Original prospect or advert
- Altri modelli
-
In questo link sono elencati 3610 modelli, di cui 3303 con immagini e 2356 con schemi.
Elenco delle radio e altri apparecchi della Blaupunkt (Ideal), Berlin, später Hildesheim