- Country
- Great Britain (UK)
- Manufacturer / Brand
- BRC (Brand) British Radio Corporation Ltd.; Surrey & London
- Year
- 1961 ??
- Category
- Sound/Video Recorder and/or Player
- Radiomuseum.org ID
- 332478
-
- alternative name: BRC
Click on the schematic thumbnail to request the schematic as a free document.
- Number of Tubes
- 3
- Main principle
- Audio-Amplification
- Wave bands
- - without
- Details
- Tape Recorder
- Power type and voltage
- Alternating Current supply (AC) / 110; 200-225; 226-250 Volt
- Loudspeaker
- Permanent Magnet Dynamic (PDyn) Loudspeaker (moving coil) - elliptical
- Material
- Leather / canvas / plastic - over other material
- from Radiomuseum.org
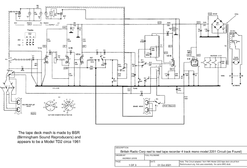
- Model: 2201 - BRC Brand British Radio
- Shape
- Miscellaneous shapes - described under notes.
- Dimensions (WHD)
- 348 x 170 x 338 mm / 13.7 x 6.7 x 13.3 inch
- Notes
-
Tape recorder, single speed (3.75 ips), four track, max spool size 5.75 inches, fitted with a BSR TD2 tape deck. Inputs for microphone, radio and pickup, outputs for radio and external loudspeaker. Loudspeaker 150x75mm
Similar circuit to the HMV 2202
- Net weight (2.2 lb = 1 kg)
- 8 kg / 17 lb 9.9 oz (17.621 lb)
- Literature/Schematics (1)
- -- Collector info (Sammler)
- Author
- Model page created by Andrew Lewis. See "Data change" for further contributors.
- Other Models
-
Here you find 18 models, 11 with images and 8 with schematics for wireless sets etc. In French: TSF for Télégraphie sans fil.
All listed radios etc. from BRC (Brand) British Radio Corporation Ltd.; Surrey & London