- País
- Estados Unidos
- Fabricante / Marca
- Brunswick Radio&Television, Inc
- Año
- 1948 ??
- Categoría
- Radio - o Sintonizador pasado WW2
- Radiomuseum.org ID
- 34707
-
- alternative name: Radio & Telev.Prod.Co.
Haga clic en la miniatura esquemática para solicitarlo como documento gratuito.
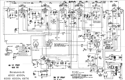
- Numero de valvulas
- 10
- Principio principal
- Superheterodino con paso previo de RF; ZF/IF 455/10700 kHz; 2 Etapas de AF
- Número de circuitos sintonía
- 7 Circuíto(s) AM 8 Circuíto(s) FM
- Gama de ondas
- OM y FM
- Tensión de funcionamiento
- Red: Corriente alterna (CA, Inglés = AC) / 105-125 Volt
- Altavoz
- Altavoz dinámico (de imán permanente) / Ø 12 inch = 30.5 cm
- Potencia de salida
- 7 W (unknown quality)
- de Radiomuseum.org
- Modelo: 4000 - Brunswick Radio&Television,
- Anotaciones
- BC (540-1620 kHz) and FM (87.5-108 MHz )bands. Built-in BC loop and FM dipole antenna. Push-pull audio amplifier.
- Ext. procedencia de los datos
- Ernst Erb
- Referencia esquema
- Rider's Perpetual, Volume 16 = ca. 1948 and before
- Mencionado en
- Rider's Changes 18-6, Rider's 16-1 to 16-5
- Otros modelos
-
Donde encontrará 52 modelos, 20 con imágenes y 45 con esquemas.
Ir al listado general de Brunswick Radio&Television, Inc