Butoba MT7F
Butoba (Marke/Brand)
- País
- Alemania
- Fabricante / Marca
- Butoba (Marke/Brand)
- Año
- 1963–1965
- Categoría
- Registrador o reproductor de sonido o visual
- Radiomuseum.org ID
- 25950
-
- alternative name: Burger Söhne, Joseph
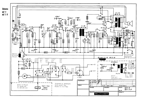
Haga clic en la miniatura esquemática para solicitarlo como documento gratuito.
- Numero de valvulas
- 1
- Válvulas
- DM71
- Numero de transistores
- 6
- Principio principal
- Amplificador de Audio
- Gama de ondas
- - no hay
- Especialidades
- Grabadora de cinta; Remote Control (with wire or wireless)
- Tensión de funcionamiento
- Baterías recargables o pilas / 4 × 1,5; 6 Volt
- Altavoz
- Altavoz elíptico de imán permanente.
- Potencia de salida
- 1 W (unknown quality)
- Material
- Plástico moderno (Nunca bakelita o catalina)
- de Radiomuseum.org
- Modelo: Butoba MT7F - Butoba Marke/Brand
- Forma
- Portátil > 20 cm (sin la necesidad de una red)
- Ancho, altura, profundidad
- 210 x 310 x 90 mm / 8.3 x 12.2 x 3.5 inch
- Anotaciones
- Zweispur; Bandgeschwindigkeiten: 4,75/9,5 cm/s; Spulen-Ø 8 cm. Stromversorgung mit Trockenbatterien, Akku oder einsteckbarem Netzteil sowie Autobetrieb über 6-V- oder 12-V-Anschlussstück. Fernbedienungseinrichtung am Gerät für Start-Stop-Bedienung am Mikrofon.
- Peso neto
- 3.7 kg / 8 lb 2.4 oz (8.15 lb)
- Precio durante el primer año
- 375.00 DM
- Ext. procedencia de los datos
- Erb
- Procedencia de los datos
- Handbuch VDRG 1964/1965 / Radiokatalog Band 2, Ernst Erb
- Otros modelos
-
Donde encontrará 20 modelos, 17 con imágenes y 7 con esquemas.
Ir al listado general de Butoba (Marke/Brand)