TR146A / TR146B
Bush Radio Ltd.; london
- Country
- Great Britain (UK)
- Manufacturer / Brand
- Bush Radio Ltd.; london
- Year
- 1967
- Category
- Broadcast Receiver - or past WW2 Tuner
- Radiomuseum.org ID
- 90182
Click on the schematic thumbnail to request the schematic as a free document.
- Number of Transistors
- 7
- Main principle
- Superheterodyne (common); ZF/IF 470 kHz
- Wave bands
- Broadcast (MW) and Long Wave.
- Power type and voltage
- Dry Batteries / 9 Volt
- Loudspeaker
- Permanent Magnet Dynamic (PDyn) Loudspeaker (moving coil) - elliptical / Ø 5.38 inch = 13.7 cm
- Power out
- 0.5 W (unknown quality)
- Material
- Plastics (no bakelite or catalin)
- from Radiomuseum.org
- Model: TR146A / TR146B - Bush Radio Ltd.; london
- Shape
- Portable set > 8 inch (also usable without mains)
- Dimensions (WHD)
- 9.4 x 5.7 x 3.9 inch / 239 x 145 x 99 mm
- Notes
-
3-Band, 7 transistor portable battery power superhet.
TR146A: Black moulded cabinet, control knobs & push buttons.
TR146B: Brown moulded cabinet, white control knobs & push buttons.
Same as the Bush Model B822 in a grey cabinet.
- Net weight (2.2 lb = 1 kg)
- 2.1 kg / 4 lb 10 oz (4.626 lb)
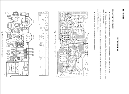
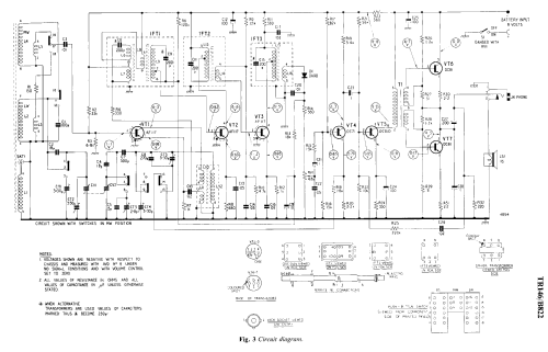
- Literature/Schematics (1)
- -- Original-techn. papers.
- Author
- Model page created by Howard Craven. See "Data change" for further contributors.
- Other Models
-
Here you find 402 models, 336 with images and 239 with schematics for wireless sets etc. In French: TSF for Télégraphie sans fil.
All listed radios etc. from Bush Radio Ltd.; london