- Country
- Canada
- Manufacturer / Brand
- Canadian General Electric (Canada) (C.G.E. or CGE); Toronto, ON
- Year
- 1947 ?
- Category
- Broadcast Receiver - or past WW2 Tuner
- Radiomuseum.org ID
- 295470
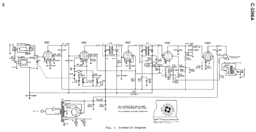
Click on the schematic thumbnail to request the schematic as a free document.
- Number of Tubes
- 6
- Main principle
- Superhet with RF-stage; ZF/IF 460 kHz; 2 AF stage(s)
- Tuned circuits
- 6 AM circuit(s)
- Wave bands
- Broadcast and Short Wave (SW).
- Power type and voltage
- Alternating Current supply (AC) / 105 to 125 Volt
- Loudspeaker
- Permanent Magnet Dynamic (PDyn) Loudspeaker (moving coil) / Ø 6 inch = 15.2 cm
- Power out
- 3 W (6 W max.)
- Material
- Wooden case
- from Radiomuseum.org
- Model: C-3266A - Canadian General Electric
- Shape
- Tablemodel, with any shape - general.
- Dimensions (WHD)
- 17 x 12 x 9.25 inch / 432 x 305 x 235 mm
- Notes
-
The Canadian General Electric model C-3266A is a 6-tube, 2 band table radio. Covers standard broadcast and 5.5 to 18 MHz shortwave.
- Literature/Schematics (1)
- General Electric Radio and Television Service Manual 1945-1949 (Page 228 to231)
- Author
- Model page created by Tom Seeger. See "Data change" for further contributors.
- Other Models
-
Here you find 506 models, 374 with images and 428 with schematics for wireless sets etc. In French: TSF for Télégraphie sans fil.
All listed radios etc. from Canadian General Electric (Canada) (C.G.E. or CGE); Toronto, ON