393 Ch= 7N1, 4S2
Canadian Admiral Co. Ltd; Long Branch, Ont.
- Country
- Canada
- Manufacturer / Brand
- Canadian Admiral Co. Ltd; Long Branch, Ont.
- Year
- 1958 ?
- Category
- Broadcast Receiver - or past WW2 Tuner
- Radiomuseum.org ID
- 307118
Click on the schematic thumbnail to request the schematic as a free document.
- Number of Tubes
- 11
- Main principle
- Superhet with RF-stage; ZF/IF 455/10700 kHz; 5 AF stage(s)
- Tuned circuits
- 6 AM circuit(s) 8 FM circuit(s)
- Wave bands
- Broadcast (BC) and FM or UHF.
- Details
- Changer (Record changer)
- Power type and voltage
- Alternating Current supply (AC) / 60 Hz, 117 Volt
- Loudspeaker
- 2 Loudspeakers
- Power out
- 12 W (17 W max.)
- Material
- Wooden case
- from Radiomuseum.org
- Model: 393 Ch= 7N1, 4S2 - Canadian Admiral Co. Ltd; Long
- Shape
- Console, Lowboy (legs < 50 %).
- Notes
-
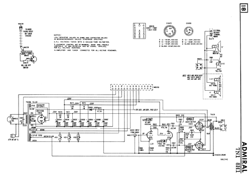
The Canadian Admiral model 393 is an 11-tube AM/FM console radio with built in record changer. Contains tuner chassis 7N1 and amplifier chassis 4S2. Has 12 inch woofer and 3.5 inch tweeter. Model 393 in blond finish. Model 392 has the same shape and schematic but has a mahogany wood finish.
Schematic and tube type around AM mixer area is slightly different than USA model 393.
- Literature/Schematics (1)
- Radio College of Canada (RCC) (Supplement 45)
- Author
- Model page created by Tom Seeger. See "Data change" for further contributors.
- Other Models
-
Here you find 240 models, 166 with images and 232 with schematics for wireless sets etc. In French: TSF for Télégraphie sans fil.
All listed radios etc. from Canadian Admiral Co. Ltd; Long Branch, Ont.