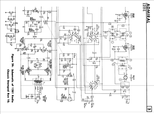
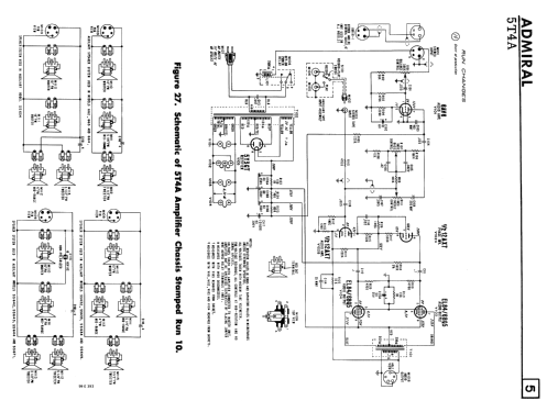
632 Kensington Ch= 12B1
Canadian Admiral Co. Ltd; Long Branch, Ont.
- Land
- Kanada
- Hersteller / Marke
- Canadian Admiral Co. Ltd; Long Branch, Ont.
- Jahr
- 1958 ?
- Kategorie
- Rundfunkempfänger (Radio - oder Tuner nach WW2)
- Radiomuseum.org ID
- 302112
Klicken Sie auf den Schaltplanausschnitt, um diesen kostenlos als Dokument anzufordern.
- Anzahl Röhren
- 12
- Hauptprinzip
- Super mit HF-Vorstufe; ZF/IF 455/10700 kHz; 4 NF-Stufe(n)
- Anzahl Kreise
- 6 Kreis(e) AM 6 Kreis(e) FM
- Wellenbereiche
- Mittelwelle und UKW (FM).
- Spezialitäten
- Plattenwechsler
- Betriebsart / Volt
- Wechselstromspeisung / 60 Hz, 117 Volt
- Lautsprecher
- 4 Lautsprecher
- Belastbarkeit / Leistung
- 8 W (sinus/unverzerrt)
- Material
- Gerät mit Holzgehäuse
- von Radiomuseum.org
- Modell: 632 Kensington Ch= 12B1 - Canadian Admiral Co. Ltd; Long
- Form
- Standgerät auf niedrigen Beinen (Beine < 50 % der Gesamthöhe).
- Bemerkung
-
The Admiral model 632 is a 12-tube console radio with AM/FM stereo tuner and an 8W mono amplifier with 12 inch woofer, a 5.25 inch midrange, 4 inch midrange and a 3.5 inch tweeter. Has a built in stereo record changer. Requires a matching Admiral model SS622 auxiliary amplifier/speaker unit for the 2nd stereo channel.
- Literatur/Schema (1)
- Radio College of Canada (RCC) (1959 Supplement 46)
- Autor
- Modellseite von Tom Seeger angelegt. Siehe bei "Änderungsvorschlag" für weitere Mitarbeit.
- Weitere Modelle
-
Hier finden Sie 240 Modelle, davon 166 mit Bildern und 232 mit Schaltbildern.
Alle gelisteten Radios usw. von Canadian Admiral Co. Ltd; Long Branch, Ont.