- Paese
- Canada
- Produttore / Marca
- Canadian Westinghouse, Hamilton
- Anno
- 1954 ?
- Categoria
- Radio (o sintonizzatore del dopoguerra WW2)
- Radiomuseum.org ID
- 293256
-
- alternative name: Westinghouse Canada
Clicca sulla miniatura dello schema per richiederlo come documento gratuito.
- Numero di tubi
- 5
- Principio generale
- Supereterodina (in generale); ZF/IF 455 kHz; 2 Stadi BF
- N. di circuiti accordati
- 6 Circuiti Mod. Amp. (AM)
- Gamme d'onda
- Solo onde medie (OM).
- Particolarità
- Radio with other functions
- Tensioni di funzionamento
- Alimentazione a corrente alternata (CA) / 117 Volt
- Altoparlante
- AP magnetodinamico (magnete permanente e bobina mobile)
- Materiali
- Plastica (non bachelite o catalina)
- Radiomuseum.org
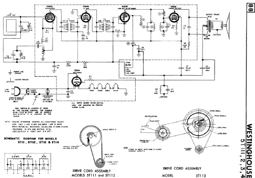
- Modello: 5T111 - Canadian Westinghouse,
- Forma
- Soprammobile con orologio (radio-orologio, radiosveglia).
- Annotazioni
-
The Canadian Westinghouse model 5T111 is a 5-tube broadcast table radio with clock and timed 117VAC outlet. This model uses a printed circuit board and internal loop antenna.
- Letteratura / Schemi (1)
- Radio College of Canada (RCC) (Supplement 32 pages 88 to 90)
- Autore
- Modello inviato da Tom Seeger. Utilizzare "Proponi modifica" per inviare ulteriori dati.
- Altri modelli
-
In questo link sono elencati 385 modelli, di cui 174 con immagini e 357 con schemi.
Elenco delle radio e altri apparecchi della Canadian Westinghouse, Hamilton