22C09B Ch= 921-14
CBS-Columbia Inc.; New York, NY
- Land
- USA
- Hersteller / Marke
- CBS-Columbia Inc.; New York, NY
- Jahr
- 1956 ?
- Kategorie
- Fernseh-Empfänger/Monitor
- Radiomuseum.org ID
- 333915
-
- anderer Name: CBS Electronics || Columbia Phonographs || Columbia Records
Klicken Sie auf den Schaltplanausschnitt, um diesen kostenlos als Dokument anzufordern.
- Anzahl Röhren
- 21
- Röhren
- 6BQ7 6J6 6CB6 6CB6 6CB6 6AL5 12BH7 6U8 6AU6 6AL5 6AV6 6V6GT 12BZ7 12BH7 6AL5 12BH7 6CU6 6W4GT 1AX2 5AW4 21ZP4A
- Hauptprinzip
- Super mit HF-Vorstufe
- Wellenbereiche
- Wellen in den Bemerkungen.
- Betriebsart / Volt
- Wechselstromspeisung / 60 Hz, 117V = 110 -120 Volt
- Lautsprecher
- Dynamischer LS, keine Erregerspule (permanentdynamisch)
- Material
- Gerät mit Holzgehäuse
- von Radiomuseum.org
- Modell: 22C09B Ch= 921-14 - CBS-Columbia Inc.; New York,
- Form
- Standgerät auf niedrigen Beinen (Beine < 50 % der Gesamthöhe).
- Bemerkung
-
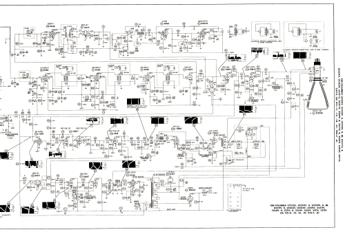
CBS-Columbia model 22C09B is a 21” b/w TV with US standard VHF tuner channels 2 thru 13.Equipped with chassis 921-14 , VHF tuner 69000591 and picture tube 21ZP4A.
- Literatur/Schema (1)
- Photofact Folder, Howard W. SAMS (Set 304 Folder 2 dated 1-56)
- Autor
- Modellseite von Dirk Taekels angelegt. Siehe bei "Änderungsvorschlag" für weitere Mitarbeit.
- Weitere Modelle
-
Hier finden Sie 447 Modelle, davon 249 mit Bildern und 407 mit Schaltbildern.
Alle gelisteten Radios usw. von CBS-Columbia Inc.; New York, NY