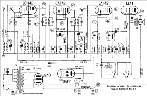
Super Rimlock RC-63
Central-Radio; Paris
- Country
- France
- Manufacturer / Brand
- Central-Radio; Paris
- Year
- 1950
- Category
- Broadcast Receiver - or past WW2 Tuner
- Radiomuseum.org ID
- 120826
Click on the schematic thumbnail to request the schematic as a free document.
- Number of Tubes
- 6
- Main principle
- Superheterodyne (common); ZF/IF 455 kHz
- Wave bands
- Broadcast, Long Wave and Short Wave.
- Power type and voltage
- Alternating Current supply (AC) / 110-240 Volt
- Loudspeaker
- Permanent Magnet Dynamic (PDyn) Loudspeaker (moving coil) / Ø 17 cm = 6.7 inch
- Material
- Wooden case
- from Radiomuseum.org
- Model: Super Rimlock RC-63 - Central-Radio; Paris
- Literature/Schematics (1)
- Radio Constructeur et Dépanneur 1950
- Author
- Model page created by Raynal Aufils. See "Data change" for further contributors.
- Other Models
-
Here you find 35 models, 34 with images and 18 with schematics for wireless sets etc. In French: TSF for Télégraphie sans fil.
All listed radios etc. from Central-Radio; Paris