- Country
- Italy
- Manufacturer / Brand
- Chinaglia Dino Elettrocostruzioni; Belluno
- Year
- 1966
- Category
- Service- or Lab Equipment
- Radiomuseum.org ID
- 112110
Click on the schematic thumbnail to request the schematic as a free document.
- Number of Transistors
- 1
- Semiconductors
- Wave bands
- - without
- Power type and voltage
- Dry Batteries / 6 × 1,5 Volt
- Loudspeaker
- - - No sound reproduction output.
- Material
- Metal case
- from Radiomuseum.org
- Model: Dynatrans - Chinaglia Dino
- Shape
- Portable set > 8 inch (also usable without mains)
- Dimensions (WHD)
- 125 x 195 x 100 mm / 4.9 x 7.7 x 3.9 inch
- Notes
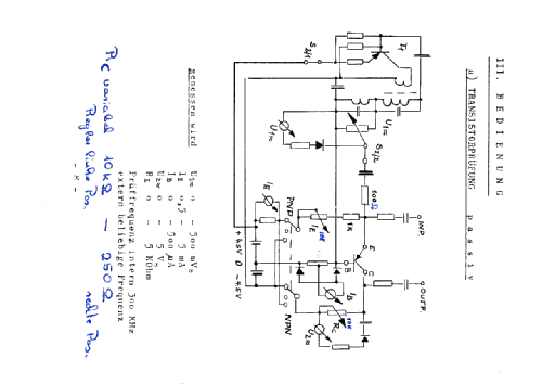
- Transistor tester, active and passive mode, test frequencies 0,3 to 100 MHz, max. 80 volts, two test-sockets.
- Net weight (2.2 lb = 1 kg)
- 1.4 kg / 3 lb 1.3 oz (3.084 lb)
- Mentioned in
- Funkschau (1966 Heft 9 Seite 664)
- Literature/Schematics (1)
- Funkschau (1966 Heft 16 Seite 520/1280)
- Author
- Model page created by a member from A. See "Data change" for further contributors.
- Other Models
-
Here you find 65 models, 59 with images and 15 with schematics for wireless sets etc. In French: TSF for Télégraphie sans fil.
All listed radios etc. from Chinaglia Dino Elettrocostruzioni; Belluno